Новая версия программного обеспечения WaveControl по формированию сигналов произвольной формы для источников питания АКИП-TOELLNER
Компания TOELLNER® (TOELLNER ELECTRONIC INSTRUMENTE GMBH, Германия) анонсировала модернизацию управляющего ПО WaveControl. Изучив накопленный опыт и высказанные пожелания пользователей, компания обновила программное обеспечение (ПО) для линейки источников питания АКИП™:
- АКИП-1106, АКИП-1106А (2 линейки 150/320 Вт)
- АКИП-1107, АКИП-1107А (2 линейки 1000/1500 Вт)
- АКИП-1108, АКИП-1108А (2 линейки 1х400/2х200 Вт)
- АКИП-1136Х-xx-xx (13 линеек по 10 моделей)
WaveControl это программное обеспечение для быстрого и удобного программирования источников питания АКИП/ TOELLNER в режиме создания сложных сигналов, в том числе произвольной формы. Данный управляющий софт является программным решением для создания и редактирования любой формы выходного напряжения и тока с помощью графического конструктора или методом табличного ввода параметров кривой.

Рис.1 Графики отображение выходных форм в меню ПО. Различные типы сигналов или комбинация элементов на кривой.
Ресурсы программирования включают в себя как готовые к использованию формы, так редактируемые кривые для испытаний на соответствие стандартам VW80000 LV124, LV148, ISO 16750 и GMW3172. Кроме того, софт позволяет свободно создавать и сохранять специфичные тестовые последовательности с регулируемой скважностью и настраиваемыми типами развертки. Эти произвольные формы выходного напряжения и тока (профили) затем могут быть записаны в источник питания. При подключении к ПК программа WaveControl внесет все необходимые коррективы в настройки источника для воспроизведения созданного профиля.
В зависимости от модели источника АКИП при тестировании могут использоваться различные настройки запуска (синхронизации) и формирование пакета выходных импульсов. Например, для выдачи исполнительных сигналов срабатывания внешних устройств с предварительно заданным их количеством. Возможно аналоговое управление источниками АКИП-1106А, АКИП-1136 при помощи возможностей карты цифроаналогового преобразователя/ ЦАП (DAQ card). Такое сочетание программного обеспечения и аппаратной реализации создает комплексное мощное и гибкое тест-решение для генерации источниками питания сигналов произвольной формы в различных измерительных приложениях.

Рис. 2. Табличное задание выходной формы. Пример для вышеуказанного сигнала.
При подключении к ПК софт обеспечивает управление выходом (Вкл/ Выкл, Старт/ Стоп), а также позволяет перезапускать последовательность (непрерывно или с предварительно заданным числом повторений). Лицензия выдается на конкретный прибор и после обновления софта источник питания может быть использован с любым ПК (по месту его установки и по количеству подключений). Примеры управления прибором и расширения функциональности есть для программы Python и написанных в «С» библиотек (С-DLL). Пользователь может применять все функции WaveControl в своем собственном ПО.

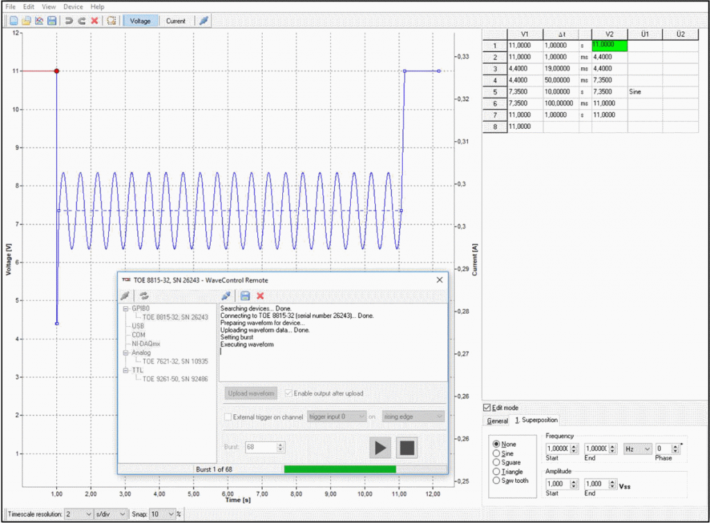
Рис.3. Общий вид интерфейса ПО в фоновом режиме. На переднем плане окно диалога ДУ, выше - форма воспроизводимого сигнала.
WaveControl работает на всех текущих операционных системах Windows (Windows XP Service Pack 2 или выше), подключение к Интернету не требуется. Софт поддерживает все указанные модели источников питания АКИП/ TOELLNER с функцией формирования сигналов произвольной формы.
Новая версия WaveControl доступна для скачивания с сайта производителя, и рекомендована для ознакомления и опробования потенциальными заказчиками. Для каждой конкретной модели источника питания, который будет удаленно управляться программным обеспечением, потребуется лицензионный файл (license file). Активация ПО для просмотра или пробного редактирования файлов формы выходного сигнала может быть выполнена без такого лицензионного файла (ключа).
Пользователи, у которых уже есть оборудование АКИП-TOELLNER, могут получить бесплатно демонстрационные лицензии с ограниченным периодом действия. После окончания опробования и тестирования нового ПО они могут купить соответствующие постоянные лицензии для своих устройств.
Вы всегда можете купить оборудование с доставкой по России, выбрав его по каталогу продукции, или обратившись за помощью к нашим специалистам по адресу- sales@spegroup.ru или по телефону +7 (383) 383-24-06.