Насос TiTan 300 от компании Gamma Vacuum предназначен для создания высокого и сверхвысокого вакуума в широком спектре применений — от портативных масс-спектрометров до ускорительных комплексов. Благодаря безмасляному принципу работы и отсутствию движущихся частей, ионные насосы обеспечивают чистую, свободную от вибраций среду с минимальными эксплуатационными расходами.
Ключевые преимущества ионных насосов Gamma Vacuum:
Ключевые преимущества ионных насосов Gamma Vacuum:
- Широкий модельный ряд с производительностью 0,2-1200 л/с
- Отсутствие вибрации позволяют устанавливать насос на чувствительные установки.
- Не требуют расходных материалов и потребляют минимум энергии.
- Выдерживают прогрев до 250°C в рабочем режиме и до 450°C без магнитов.
- Эксплуатационный ресурс составляет 50 000 часов при давлении 10⁻⁶ мбар.
- Устойчив к воздействию радиации благодаря специальным материалам конструкции
- Элемент CV – диодный элемент с титановыми пластинами, предназначен для откачки воздуха и реактивных газов. Преимущества: высокая быстрота откачки реактивных газов, точная индикация давления, отличная электрическая стабильность, отличная стабильность вакуума. Особенности: невысокая емкость по инертным газам, низкое давление запуска насоса, потенциальная аргонная нестабильность.
- Элемент DI – комбинированный диодный элемент с титановой и танталовой пластинами, предназначен для откачки воздуха, реактивных и инертных газов; обладает на 20% меньшей скоростью откачки реактивных газов, по сравнению с CV элементом. Преимущества: откачка инертных газов, точная индикация давления, отличная электрическая стабильность, отличная стабильность вакуума. Особенности: низкое давление запуска насоса, более высокая стоимость.
- Элемент TR – триодный элемент с щелевыми титановыми пластинами, предназначен для откачки воздуха, реактивных и инертных газов; обладает на 25% меньшей скоростью откачки реактивных газов, по сравнению с CV элементом; Преимущества: высокое давление запуска насоса, откачка инертных газов, Особенности: низкая скорость откачки при сверхвысоком вакууме, более высокая стоимость, электрическая нестабильность и нестабильность вакуума – возникновение дугового пробоя.
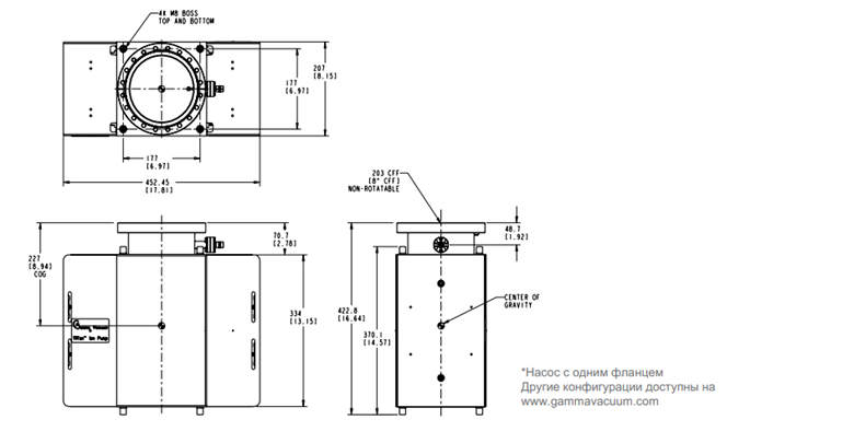
| Параметр | Значение |
| Скорость откачки, л/с | 240 - 300 |
| Предельное остаточное давление, мбар | < 10-11 |
| Давление запуска, мбар |
<1x10-3 (<5x10-2) |
| Температура прогрева, °C (со снятыми магнитами) | 250 (450) |
| Фланцы | DN160 CF |
| Вес, кг | 65 |
| Элементы; CV, DI, TR (CVX/DIX – XHV (Eximo) исполнение) | CV/CVX, DI/DIX, ТR |
| Габариты, мм | 345 x 231 x 450 |
Все покупки на сайте осуществляются с помощью безналичной оплаты.
Все платежи для физических лиц осуществляются через сервис Paykeeper.
Также возможно оформление счета для оплаты от юридического лица (мы работаем с НДС).
Подробная информация на странице «Условия оплаты».

Мы доставляем грузы несколькими транспортными компаниями, подробнее узнать о которых вы можете в разделе «доставка».
Выбрать вариант доставки вы можете при оформлении заказа на сайте, либо связавшись с менеджером
Срок поставки менеджер уточнит после оформления заявки.