TITAN™ T50XP — зонд до 50 ГГц с поддержкой до 28 Вт (10 ГГц), током до 3.5 A, напряжением до 450 V. Температура DUT до 200 °C. MEMS-наконечники с ресурсом >1 млн касаний. Опции RC и LL. Поддержка калибровок TRL/SOLT/LRM.
TITAN™ T50XP — универсальный зонд для измерений высокой мощности на частотах до 50 ГГц, обеспечивающий точное и устойчивое контактирование при максимальных нагрузках.
Он предназначен для проведения on-wafer тестирования GaN и LDMOS-усилителей, фазированных антенн, ВЧ-модулей и других активных компонентов, чувствительных к фазовым и энергетическим искажениям.
Способность работать при подаче до 28 Вт мощности (на 10 ГГц), тока до 3.5 A и напряжения до 450 V делает его подходящим не только для НИОКР, но и для серийного производства с требовательными электрическими режимами.
Зонд сохраняет контактное сопротивление <6 мΩ на золоте, что критически важно для точности S-параметров и соответствия линиям передачи с 50-омным импедансом.
MEMS-наконечники устойчивы к износу, позволяют до 1 000 000 касаний, и доступны в стандартной (30 мкм) и RC (20 мкм) конфигурациях.
Зонд поддерживает шаги от 50 до 1250 мкм, а также стандартные схемы подключения (GSG, GS, SG), что даёт гибкость при измерениях в плотных микросхемах.
Рабочая температура DUT — до +200 °C.
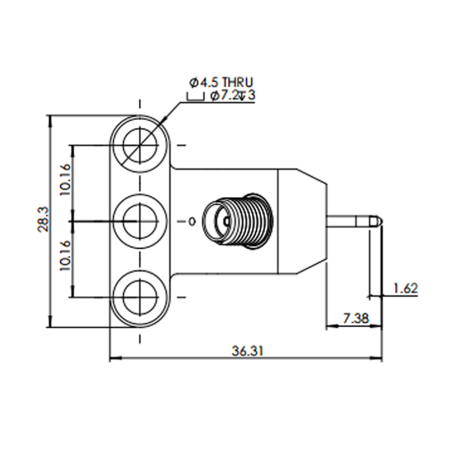
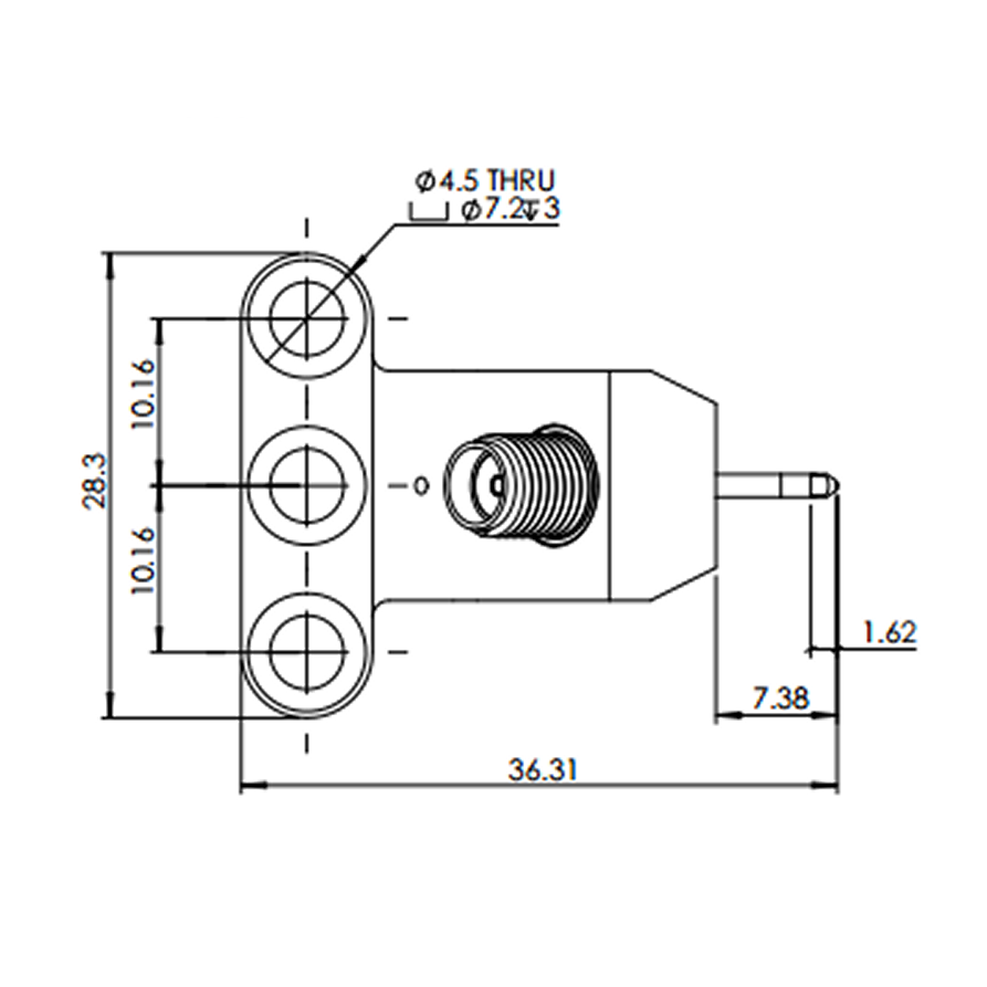
Разъёмы Q-типа (2.4 мм) под 45°/90° обеспечивают надёжную передачу сигнала с минимальными отражениями.
Полная поддержка всех типов калибровки делает T50XP надёжной платформой для нагрузочных измерений в миллиметровом диапазоне.
Особенности и преимущества:
• До 28 Вт на 10 ГГц, 3.5 A, 450 V
• Температура DUT до 200 °C
• Поддержка RC/LL
• MEMS-надёжность и повторяемость
• Калибровка по SOLT, TRL, LRM
• Ресурс >1 000 000 касаний
| Параметр | Значение |
|---|---|
| Частотный диапазон | DC – 50 ГГц |
| RF мощность (типовая, @10 ГГц) | до 28 Вт |
| Максимальный ток | до 3.5 A |
| Максимальное напряжение | до 450 V |
| Рабочая температура DUT | до +200 °C |
| Контактное сопротивление | <6 мΩ (Au), <35 мΩ (Al) |
| Ресурс наконечника | >1 000 000 касаний |
| Тип наконечника | MEMS |
| Ширина наконечника | 30 мкм (опционально 20 мкм в версии RC) |
| Шаг наконечника | от 50 до 1250 мкм (с шагом 25/50 мкм) |
| Конфигурации | GSG, GS, SG |
| Поддержка калибровки | SOLT, TRL, LRM |
| Опции исполнения | RC (Reduced Contact), LL (Low-Loss) |
| Тип разъема | Q (2.4 мм), под углом 45° или 90° |
| Импеданс | 50 Ом |
| Сфера применения | Усилители мощности, PA-модули, GaN/LDMOS, термоциклическое тестирование |
Все покупки на сайте осуществляются с помощью безналичной оплаты.
Все платежи для физических лиц осуществляются через сервис Paykeeper.
Также возможно оформление счета для оплаты от юридического лица (мы работаем с НДС).
Подробная информация на странице «Условия оплаты».

Мы доставляем грузы несколькими транспортными компаниями, подробнее узнать о которых вы можете в разделе «доставка».
Выбрать вариант доставки вы можете при оформлении заказа на сайте, либо связавшись с менеджером
Срок поставки менеджер уточнит после оформления заявки.