TITAN™ T40XP — низкопотерьевый высокомощный зонд с поддержкой до 28 Вт @10 ГГц, тока до 3.5 A, напряжения до 450 V. Low-PIM сертифицирован. Температура DUT до 200 °C. Поддержка RC/LL. Контактное сопротивление <6 мΩ. До 40 ГГц.
TITAN™ T40XP — это усиленная версия MEMS-зонда для измерений до 40 ГГц, ориентированная на задачи, где требуется подача высокой мощности с минимальными потерями сигнала.
Он обеспечивает подачу до 28 Вт RF-мощности на частоте 10 ГГц, с током до 3.5 A и рабочим напряжением до 450 V, сочетая высокую термостойкость и электрическую надёжность.
Ключевой особенностью модели является сертификация на низкую пассивную интермодуляцию (Low-PIM), что делает её особенно подходящей для тестирования компонентов, используемых в антеннах, приёмниках, 5G-системах и модулях базовых станций.
T40XP минимизирует внутренние отражения и нелинейные искажения, обеспечивая точность даже при многократной передаче/приёме ВЧ-сигналов.
Зонд построен на MEMS-платформе с наконечниками 30 мкм и опцией RC (20 мкм), обладает контактным сопротивлением менее 6 мΩ (на золоте), имеет шаг от 50 до 1250 мкм и конфигурации GSG, GS, SG.
Высокий ресурс (>1 000 000 касаний) делает его надёжным инструментом в условиях интенсивной эксплуатации.
Поддерживается температура DUT до +200 °C, а также полная совместимость с калибровочными подложками и методами SOLT, TRL и LRM.
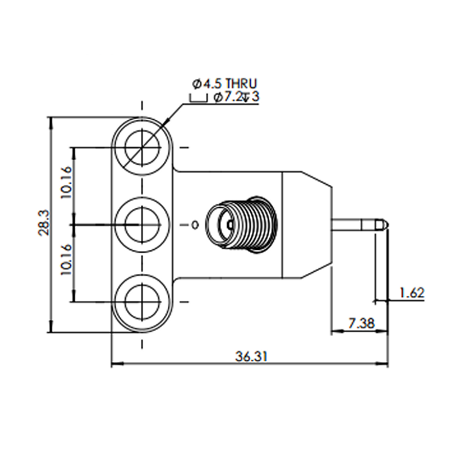
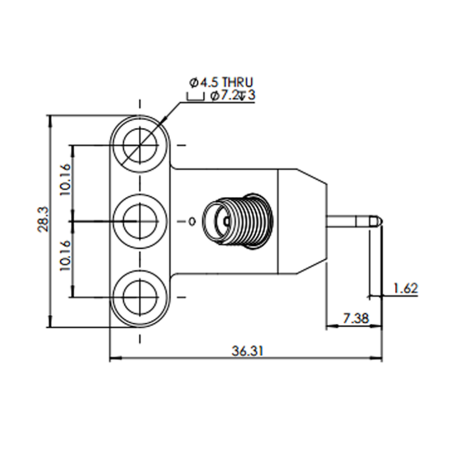
T40XP легко интегрируется в измерительные системы с использованием разъёмов K-типа (2.92 мм), подключаемых под углом 45° или 90°.
Особенности и преимущества:
• Сертифицирован для Low-PIM приложений
• Работа при 3.5 A / 450 V
• Температура DUT до 200 °C
• MEMS-наконечники с ресурсом >1 млн касаний
• Опции RC и LL
• Контактное сопротивление <6 мΩ
| Параметр | Значение |
|---|---|
| Частотный диапазон | DC – 40 ГГц |
| RF мощность (10 ГГц) | до 28 Вт |
| Максимальный ток | до 3.5 A |
| Максимальное напряжение | до 450 V |
| Температура DUT | до 200 °C |
| Контактное сопротивление | <6 мΩ (Au), <35 мΩ (Al) |
| Ресурс наконечника | >1 000 000 касаний |
| Ширина наконечника | 30 мкм (опция RC — 20 мкм) |
| Конфигурации | GSG, GS, SG |
| Шаг наконечника | от 50 до 1250 мкм |
| Разъем | K (2.92 мм), 45° или 90° |
| Импеданс | 50 Ом |
Все покупки на сайте осуществляются с помощью безналичной оплаты.
Все платежи для физических лиц осуществляются через сервис Paykeeper.
Также возможно оформление счета для оплаты от юридического лица (мы работаем с НДС).
Подробная информация на странице «Условия оплаты».

Мы доставляем грузы несколькими транспортными компаниями, подробнее узнать о которых вы можете в разделе «доставка».
Выбрать вариант доставки вы можете при оформлении заказа на сайте, либо связавшись с менеджером
Срок поставки менеджер уточнит после оформления заявки.