Высокомощный зонд TITAN™ T26XP для измерений в диапазоне DC–26 ГГц. Рабочая температура от -40°C до +175°C, ток до 2 A, напряжение 250 V. Контактное сопротивление менее 6 мΩ (Au), ресурс более 1 000 000 касаний. Предназначен для тестирования мощных СВЧ-компонентов.
Зонд TITAN™ T26XP разработан для on-wafer тестирования мощных радиочастотных компонентов с частотным диапазоном до 26 ГГц и возможностью подачи высокой электрической и тепловой нагрузки.
Он обеспечивает подачу до 28 Вт RF-мощности на частоте 10 ГГц, при максимальном токе до 3.5 A и напряжении до 450 V, что делает его идеальным выбором для испытаний усилителей мощности, GaN и LDMOS транзисторов, СВЧ-модулей и других активных компонентов, работающих в условиях высокой мощности.
Конструкция зонда основана на MEMS-наконечниках с усиленной механической прочностью и термостойкостью, что позволяет достичь минимального контактного сопротивления — менее 6 мΩ на золоте и до 35 мΩ на алюминии.
Высокая точность исполнения гарантирует устойчивый контакт и минимальные потери при каждом касании, даже при длительном цикле нагрузочного тестирования.
Допустимая температура DUT (тестируемого устройства) составляет до +200 °C, что позволяет использовать зонд в задачах, требующих термоциклирования, ускоренных стресс-тестов и валидации при повышенных температурах.
Ресурс зонда превышает 1 000 000 касаний, что подтверждает его пригодность для как лабораторных, так и производственных измерений.
T26XP поддерживает широкий диапазон контактных шагов (от 50 до 1250 мкм с градацией 25/50 мкм), а также оснащается наконечниками шириной 30 мкм в стандартной конфигурации и 20 мкм в RC-версии.
Он совместим с конфигурациями GSG, GS, SG, а также с методами калибровки SOLT, TRL и LRM, обеспечивая высокую точность и повторяемость измерений.
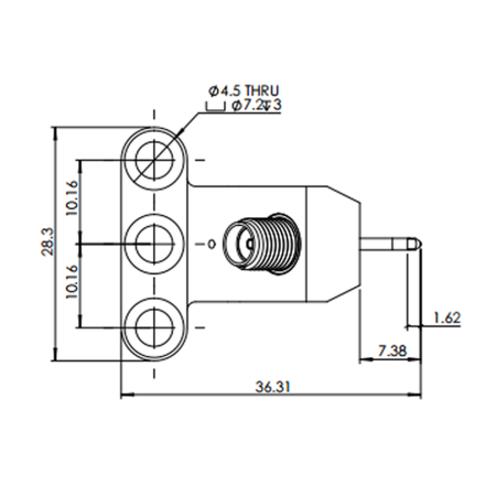
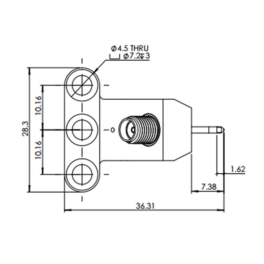
Подключение к измерительным системам осуществляется через разъём SMA (2.92 мм), доступный под углом 45° или 90°, что обеспечивает гибкость при встраивании зонда в сложные стенды и системы анализа.
Особенности и преимущества:
• До 28 Вт RF-мощности @10 ГГц
• Ток до 3.5 A, напряжение до 450 V
• Работа при температуре DUT до 200 °C
• Контактное сопротивление <6 мΩ (Au)
• MEMS-наконечники с ресурсом >1 000 000 касаний
• Опции RC (20 мкм) и LL (низкие потери)
• Поддержка калибровок SOLT, TRL, LRM
| Параметр | Значение |
|---|---|
| Частотный диапазон | DC – 26 ГГц |
| RF мощность (типовая) | до 28 Вт @10 ГГц |
| Рабочая температура DUT | до +200 °C |
| Максимальный ток | до 3.5 A |
| Максимальное напряжение | до 450 V |
| Контактное сопротивление | <6 мΩ (Au), <35 мΩ (Al) |
| Ресурс наконечника | >1 000 000 касаний |
| Наконечник | MEMS, 30 мкм (20 мкм RC) |
| Шаг наконечника | от 50 до 1250 мкм |
| Разъем | SMA (2.92 мм), 45° или 90° |
| Конфигурации | GSG, GS, SG |
| Импеданс | 50 Ом |
Все покупки на сайте осуществляются с помощью безналичной оплаты.
Все платежи для физических лиц осуществляются через сервис Paykeeper.
Также возможно оформление счета для оплаты от юридического лица (мы работаем с НДС).
Подробная информация на странице «Условия оплаты».

Мы доставляем грузы несколькими транспортными компаниями, подробнее узнать о которых вы можете в разделе «доставка».
Выбрать вариант доставки вы можете при оформлении заказа на сайте, либо связавшись с менеджером
Срок поставки менеджер уточнит после оформления заявки.