TITAN™ T110JC — зонд для высокомощных измерений в диапазоне DC–110 ГГц. RF-мощность до 18 Вт @10 ГГц, ток до 2 A, напряжение 100 V. Рабочая температура DUT — до 200 °C. Контактное сопротивление <6 мΩ. Поддержка RC и LL. Ресурс >1 млн касаний.
TITAN™ T110JC — это зонд MPI для on-wafer нагрузочного тестирования в диапазоне DC–110 ГГц. Он создан для задач высокой точности при экстремально высоких частотах, включая испытания СВЧ- и THz-компонентов, где особенно важны минимальные отражения и согласованность.
T110JC способен подавать до 18 Вт RF-мощности при 10 ГГц, с током до 2 A и напряжением 100 V.
Рабочая температура DUT может достигать +200 °C, что делает его идеальным выбором для термонагруженных сценариев, включая тесты на выносливость, отказоустойчивость и циклическую надёжность.
Контактное сопротивление остаётся ниже 6 мΩ при использовании золотых контактных металлизаций, а прочные MEMS-наконечники сохраняют геометрию и точность более чем при 1 000 000 касаниях.
Ширина контакта — 30 мкм (опционально 20 мкм RC), шаг — от 50 до 1250 мкм.
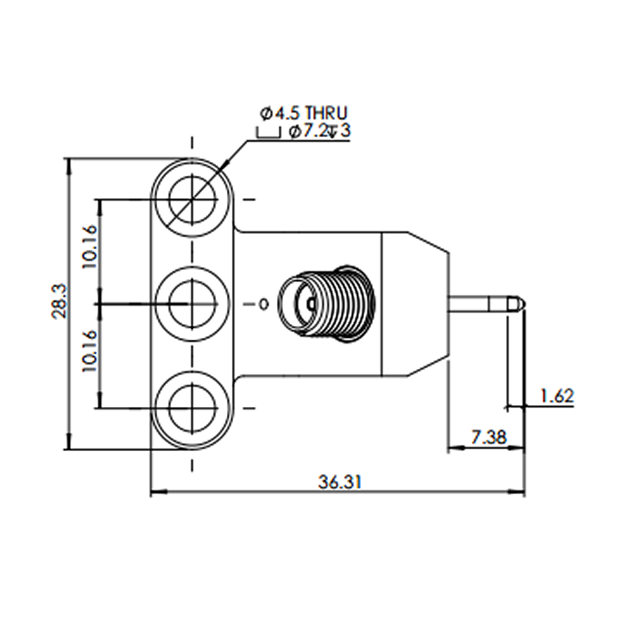
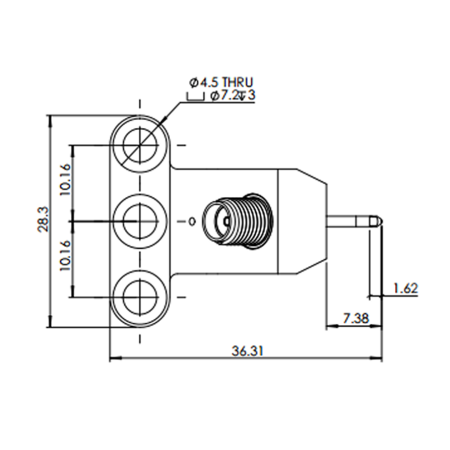
Конфигурации подключения — GSG, GS, SG. Разъём A-типа (1.0 мм), импеданс 50 Ом, подключение под 45° обеспечивает стабильную передачу сигнала без фазовых искажений.
T110JC рекомендуется для исследовательских и серийных задач, связанных с миллиметровыми.
Особенности:
• Частотный диапазон до 110 ГГц
• Поддержка до 18 Вт мощности @10 ГГц
• Работа при температуре DUT до 200 °C
• Ток до 2 A, напряжение 100 V
• Контактное сопротивление <6 мΩ
• Поддержка RC/LL
• Ресурс MEMS-наконечника >1 млн касаний
| Параметр | Значение |
|---|---|
| Частотный диапазон | DC – 110 ГГц |
| RF мощность (типовая) | до 18 Вт @10 ГГц |
| Рабочая температура DUT | до +200 °C |
| Максимальный ток | до 2 A |
| Максимальное напряжение | до 100 V |
| Контактное сопротивление | <6 мΩ (Au), <35 мΩ (Al) |
| Ресурс наконечника | >1 000 000 касаний |
| Наконечник | MEMS, 30 мкм (20 мкм RC) |
| Шаг наконечника | от 50 до 1250 мкм |
| Разъем | A (1.0 мм), 45° |
| Конфигурации | GSG, GS, SG |
| Импеданс | 50 Ом |
Все покупки на сайте осуществляются с помощью безналичной оплаты.
Все платежи для физических лиц осуществляются через сервис Paykeeper.
Также возможно оформление счета для оплаты от юридического лица (мы работаем с НДС).
Подробная информация на странице «Условия оплаты».

Мы доставляем грузы несколькими транспортными компаниями, подробнее узнать о которых вы можете в разделе «доставка».
Выбрать вариант доставки вы можете при оформлении заказа на сайте, либо связавшись с менеджером
Срок поставки менеджер уточнит после оформления заявки.