Высокочастотный зонд TITAN™ T67 для измерений в диапазоне DC–67 ГГц. Рабочая температура от -40°C до +175°C, максимальный ток 1 A, напряжение 100 V. Оснащен MEMS-наконечниками, минимальное скольжение контакта, ресурс свыше 1 000 000 касаний. Подходит для высокочастотных микроволновых измерений.
TITAN™ T67 разработан для сверхвысокочастотных измерений до 67 ГГц. Благодаря технологии MEMS-контактов зонд обеспечивает превосходную повторяемость измерений, минимальное скольжение при касании и долгий срок службы.
Стандартная ширина наконечников составляет 30 мкм, также доступна RC-версия с шириной 20 мкм для работы на миниатюрных тестовых структурах. Зонд отлично справляется с контактированием как золотых, так и алюминиевых площадок.
Диапазон рабочих температур от -40°C до +175°C, рабочий ток до 1 A, напряжение до 100 V делают модель T67 универсальной для испытаний в широком диапазоне условий. Применяется для тестирования миллиметровых волн, высокоскоростных интерфейсов, микроволновых ИС.
Совместимость с анализаторами цепей Rohde & Schwarz, Keysight, Anritsu и поддержка методов калибровки SOLT, LRM и TRL обеспечивают высокую точность при настройке измерительных систем. Разъем V-типа (1.85 мм) подходит для передачи сигналов до 67 ГГц без потерь.
Преимущества:
• Частотный диапазон от DC до 67 ГГц
• Низкое контактное сопротивление: менее 6 мΩ на золоте
• Работа с золотыми и алюминиевыми площадками
• MEMS-наконечники для минимального скольжения и стабильного контакта
• Длительный срок службы: более 1 000 000 касаний
• Поддержка всех основных методов калибровки (SOLT, LRM, TRL)
| Параметр | Значение |
|---|---|
| Частотный диапазон | DC – 67 ГГц |
| Контактное сопротивление (на золоте) | < 6 мΩ |
| Контактное сопротивление (на алюминии) | < 35 мΩ |
| Рабочая температура | -40°C…+175°C |
| Максимальный ток | 1 A |
| Максимальное напряжение | 100 V |
| Материал наконечника | Никелевый сплав |
| Ширина наконечника | 30 мкм (20 мкм RC-опция) |
| Конфигурация наконечников | GSG |
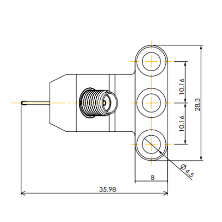
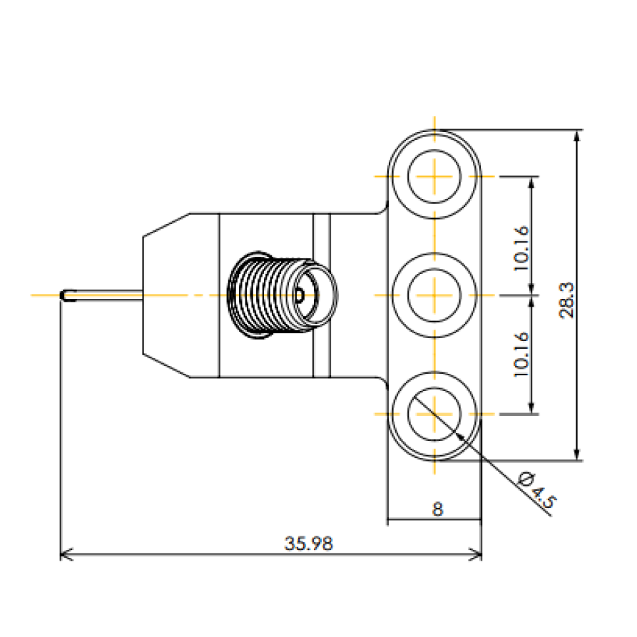
| Разъем | V (1.85 мм), 45° или 90° |
Все покупки на сайте осуществляются с помощью безналичной оплаты.
Все платежи для физических лиц осуществляются через сервис Paykeeper.
Также возможно оформление счета для оплаты от юридического лица (мы работаем с НДС).
Подробная информация на странице «Условия оплаты».

Мы доставляем грузы несколькими транспортными компаниями, подробнее узнать о которых вы можете в разделе «доставка».
Выбрать вариант доставки вы можете при оформлении заказа на сайте, либо связавшись с менеджером
Срок поставки менеджер уточнит после оформления заявки.