Высокочастотный зонд TITAN™ T50 для измерений в диапазоне DC–50 ГГц. Рабочая температура от -40°C до +175°C, максимальный ток 1 A, напряжение 100 V. MEMS-наконечники, совместимость с золотыми и алюминиевыми площадками, долговечность свыше 1 000 000 касаний.
MPI TITAN™ T50 предназначен для проведения высокоточных радиочастотных измерений до 50 ГГц. Использование MEMS-технологий в конструкции наконечников обеспечивает минимальное скольжение при касании и высокую повторяемость результатов, особенно на малогабаритных тестовых структурах.
Стандартная ширина наконечников составляет 30 мкм, при необходимости доступна версия с уменьшенным контактом 20 мкм для работы с минимальными площадками. Зонд обеспечивает надежный контакт как с золотыми, так и с алюминиевыми металлизациями без повреждения структуры площадок.
Рабочая температура зонда — от -40°C до +175°C, допустимый ток — до 1 A, рабочее напряжение — до 100 V. TITAN™ T50 идеально подходит для тестирования высокоскоростных цифровых устройств, микроволновых ИС, компонентов телекоммуникационной техники.
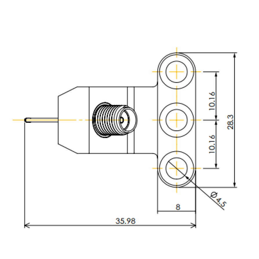
Совместимость с популярными VNA и поддержка методов калибровки SOLT, LRM и TRL делают его универсальным инструментом для точных измерений. Разъемы Q-типа (2.4 мм) обеспечивают стабильную передачу сигнала на высоких частотах.
Преимущества:
• Частотный диапазон от DC до 50 ГГц
• Низкое контактное сопротивление: менее 6 мΩ на золоте
• Работа с золотыми и алюминиевыми площадками
• MEMS-наконечники для минимального скольжения и стабильного контакта
• Длительный срок службы: более 1 000 000 касаний
• Поддержка всех основных методов калибровки (SOLT, LRM, TRL)
| Параметр | Значение |
|---|---|
| Частотный диапазон | DC – 40 ГГц |
| Контактное сопротивление (на золоте) | < 6 мΩ |
| Контактное сопротивление (на алюминии) | < 35 мΩ |
| Рабочая температура | -40°C…+175°C |
| Максимальный ток | 1 A |
| Максимальное напряжение | 100 V |
| Материал наконечника | Никелевый сплав |
| Ширина наконечника | 30 мкм (20 мкм RC-опция) |
| Конфигурация наконечников | GSG, GS, SG |
| Разъем | K (2.92 мм), 45° или 90° |
Все покупки на сайте осуществляются с помощью безналичной оплаты.
Все платежи для физических лиц осуществляются через сервис Paykeeper.
Также возможно оформление счета для оплаты от юридического лица (мы работаем с НДС).
Подробная информация на странице «Условия оплаты».

Мы доставляем грузы несколькими транспортными компаниями, подробнее узнать о которых вы можете в разделе «доставка».
Выбрать вариант доставки вы можете при оформлении заказа на сайте, либо связавшись с менеджером
Срок поставки менеджер уточнит после оформления заявки.