Высокочастотный зонд TITAN™ T40 для измерений в диапазоне DC–40 ГГц. Рабочая температура от -40°C до +175°C, максимальный ток 1 A, напряжение 100 V. MEMS-наконечники, минимальное скольжение, работа с золотыми и алюминиевыми площадками. Ресурс более 1 000 000 касаний.
TITAN™ T40 — это профессиональный радиочастотный зонд от компании MPI Corporation, разработанный для проведения высокоточных on-wafer измерений в диапазоне частот от постоянного тока до 40 ГГц. Зонд сочетает в себе передовую MEMS-технологию изготовления наконечников и оптимизированную конструкцию для достижения стабильных результатов на протяжении длительного срока эксплуатации.
MEMS-структуры наконечников обеспечивают минимальное скольжение при касании контактных площадок, что критически важно при измерениях на микросхемах с золотой или алюминиевой металлизацией. Опция уменьшенного пятна контакта (RC) шириной 20 мкм позволяет эффективно работать даже на плотных и миниатюрных тестовых структурах.
Диапазон рабочих температур от -40°C до +175°C делает TITAN™ T40 универсальным решением для стандартных лабораторных испытаний, стресс-тестов и испытаний в экстремальных условиях. Зонд выдерживает токи до 1 A и напряжение до 100 V, что соответствует требованиям высокочастотного тестирования современных интегральных схем и компонентов.
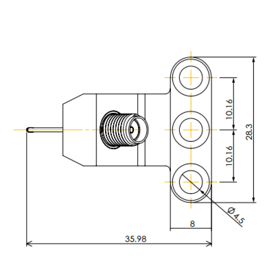
T40 совместим с широким спектром векторных анализаторов цепей (VNA) и поддерживает популярные методы калибровки, такие как SOLT, LRM и TRL. Для удобства подключения доступны версии с разъемами K-типа (2.92 мм) под углом 45° или 90°, обеспечивая гибкость интеграции в различные тестовые установки.
Благодаря высокой стабильности характеристик и длительному сроку службы свыше 1 000 000 касаний, TITAN™ T40 является идеальным выбором для задач высокочастотной метрологии в области радиосвязи, высокоскоростных цифровых интерфейсов и телекоммуникационного оборудования.
Преимущества:
• Частотный диапазон от DC до 40 ГГц
• Низкое контактное сопротивление: менее 6 мΩ на золоте
• Работа с золотыми и алюминиевыми площадками
• MEMS-наконечники для минимального скольжения и стабильного контакта
• Длительный срок службы: более 1 000 000 касаний
• Поддержка всех основных методов калибровки (SOLT, LRM, TRL)
| Параметр | Значение |
|---|---|
| Частотный диапазон | DC – 40 ГГц |
| Контактное сопротивление (на золоте) | < 6 мΩ |
| Контактное сопротивление (на алюминии) | < 35 мΩ |
| Рабочая температура | -40°C…+175°C |
| Максимальный ток | 1 A |
| Максимальное напряжение | 100 V |
| Материал наконечника | Никелевый сплав |
| Ширина наконечника | 30 мкм (20 мкм RC-опция) |
| Конфигурация наконечников | GSG, GS, SG |
| Разъем | K (2.92 мм), 45° или 90° |
Все покупки на сайте осуществляются с помощью безналичной оплаты.
Все платежи для физических лиц осуществляются через сервис Paykeeper.
Также возможно оформление счета для оплаты от юридического лица (мы работаем с НДС).
Подробная информация на странице «Условия оплаты».

Мы доставляем грузы несколькими транспортными компаниями, подробнее узнать о которых вы можете в разделе «доставка».
Выбрать вариант доставки вы можете при оформлении заказа на сайте, либо связавшись с менеджером
Срок поставки менеджер уточнит после оформления заявки.