Высокочастотный зонд TITAN™ T26 для измерений в диапазоне DC–26 ГГц. Рабочая температура от -40°C до +175°C, максимальный ток 1 A, напряжение 100 V. MEMS-наконечники, низкое контактное сопротивление, срок службы более 1 000 000 касаний. Подходит для работы с золотыми и алюминиевыми площадками, совместим с системами на базе VNA.
MPI TITAN™ T26 представляет собой высокоточную измерительную систему для тестирования радиочастотных компонентов в диапазоне частот от постоянного тока до 26 ГГц. Разработанный с использованием MEMS-технологий, зонд обеспечивает минимальное скольжение при касании контактной площадки и гарантирует высокую повторяемость результатов измерений даже при длительном использовании.
Уникальная конструкция наконечников минимизирует механические повреждения контактных площадок, что особенно важно при измерениях на золотых (Au) и алюминиевых (Al) металлизациях. Ширина стандартного наконечника составляет 30 мкм, также доступна версия с уменьшенным пятном контакта до 20 мкм (RC-опция), что позволяет использовать зонд на миниатюрных тестовых структурах.
Диапазон рабочих температур от -40°C до +175°C позволяет применять TITAN™ T26 для испытаний как в стандартных лабораторных условиях, так и в условиях термострессирования. Зонд выдерживает токи до 1 А и рабочие напряжения до 100 В без ухудшения характеристик, обеспечивая высокую надёжность и длительный срок службы — более 1 000 000 касаний при корректной эксплуатации.
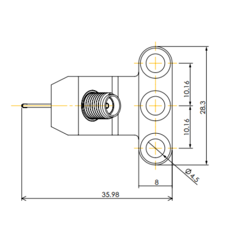
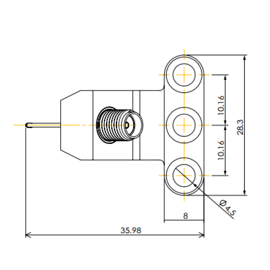
T26 совместим с современными векторными анализаторами цепей (VNA) от ведущих производителей, включая Keysight, Rohde & Schwarz и Anritsu, благодаря стандартным SMA-разъемам с углами подключения 45° или 90°. Поддерживаются все популярные методики калибровки: SOLT, LRM, TRL и Multiline-TRL, что делает зонд универсальным инструментом для задач измерения S-параметров и оценки характеристик устройств на кристалле.
Конструкция зонда и его контактные свойства соответствуют самым строгим требованиям к испытаниям высокочастотных компонентов, обеспечивая стабильную работу в проектах по разработке Wi-Fi, Bluetooth, LTE-решений, микроволновых интегральных схем и печатных плат.
Преимущества:
• Широкий диапазон частот: от DC до 26 ГГц
• Низкое контактное сопротивление: менее 6 мΩ на золоте
• Работа с золотыми и алюминиевыми площадками
• Ресурс более 1 000 000 касаний
• Опция уменьшенного пятна контакта до 20 мкм
• Совместимость с широким спектром систем VNA и калибровочных подложек
• Минимальное скольжение контакта благодаря MEMS-структурам
| Параметр | Значение |
|---|---|
| Частотный диапазон | DC – 26 ГГц |
| Контактное сопротивление (на золоте) | < 6 мΩ |
| Контактное сопротивление (на алюминии) | < 35 мΩ |
| Рабочая температура | -40°C…+175°C |
| Максимальный ток | 1 A |
| Максимальное напряжение | 100 V |
| Материал наконечника | Никелевый сплав |
| Ширина наконечника | 30 мкм (20 мкм RC-опция) |
| Конфигурация наконечников | GSG, GS, SG |
| Разъем | SMA, 45° или 90° |
Все покупки на сайте осуществляются с помощью безналичной оплаты.
Все платежи для физических лиц осуществляются через сервис Paykeeper.
Также возможно оформление счета для оплаты от юридического лица (мы работаем с НДС).
Подробная информация на странице «Условия оплаты».

Мы доставляем грузы несколькими транспортными компаниями, подробнее узнать о которых вы можете в разделе «доставка».
Выбрать вариант доставки вы можете при оформлении заказа на сайте, либо связавшись с менеджером
Срок поставки менеджер уточнит после оформления заявки.