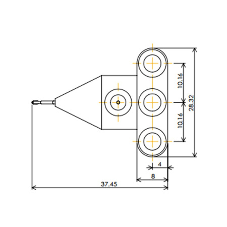
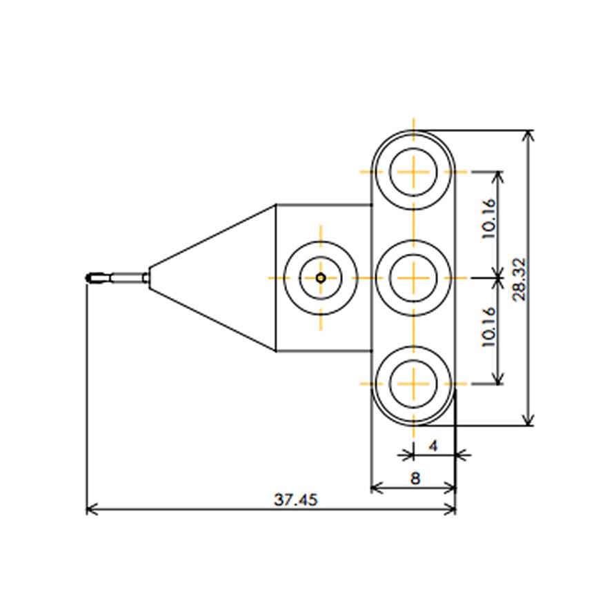
Зонд TITAN™ T220 для измерений в диапазоне DC–220 ГГц. Рабочая температура от -40°C до +150°C, ток до 1.5 A, напряжение 50 V. Низкое контактное сопротивление, минимальное пятно контакта 15 мкм. Специализирован для высокочастотных приложений и работы на малых контактных площадках.
TITAN™ T220 от MPI Corporation является уникальным зондом для высокоточных измерений на частотах до 220 ГГц. Разработанный для работы с новейшими миллиметровыми и субмиллиметровыми устройствами, T220 сочетает в себе ультратонкие MEMS-наконечники и оптимизированную конструкцию для минимизации потерь сигнала и повышения точности измерений.
Зонд имеет уменьшенное пятно контакта шириной 15 мкм, что делает его идеальным для работы с миниатюрными контактными площадками размером от 20×20 мкм.
Допустимая рабочая температура составляет от -40°C до +150°C. Максимальный рабочий ток достигает 1.5 A, при напряжении до 50 V, что позволяет использовать зонд в нагрузочных и высокотемпературных режимах.
Специальная конструкция наконечников гарантирует низкое контактное сопротивление (<45 мΩ на алюминии), а долговечность превышает 200 000 касаний при корректной эксплуатации.
TITAN™ T220 совместим с современными векторными анализаторами цепей и поддерживает различные методики измерений, включая продвинутые методы калибровки SOLT, LRM и TRL.
Особенности:
• Частотный диапазон DC–220 ГГц
• Минимальное пятно контакта 15 мкм
• Низкое контактное сопротивление <45 мΩ
• Работа при температурах от -40°C до +150°C
• Максимальный ток 1.5 A
• Высокая долговечность более 200 000 касаний
| Параметр | Значение |
|---|---|
| Частотный диапазон | DC – 220 ГГц |
| Контактное сопротивление (на алюминии) | < 45 мΩ |
| Рабочая температура | -40°C…+150°C |
| Максимальный ток | 1.5 A |
| Максимальное напряжение | 50 V |
| Минимальное пятно контакта | 15 мкм |
| Минимальная рекомендуемая площадка | 20×20 мкм |
| Конфигурация наконечников | GSG |
| Разъем | Широкополосный |
Все покупки на сайте осуществляются с помощью безналичной оплаты.
Все платежи для физических лиц осуществляются через сервис Paykeeper.
Также возможно оформление счета для оплаты от юридического лица (мы работаем с НДС).
Подробная информация на странице «Условия оплаты».

Мы доставляем грузы несколькими транспортными компаниями, подробнее узнать о которых вы можете в разделе «доставка».
Выбрать вариант доставки вы можете при оформлении заказа на сайте, либо связавшись с менеджером
Срок поставки менеджер уточнит после оформления заявки.