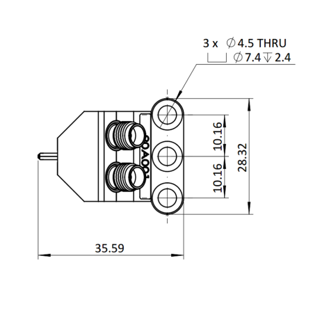
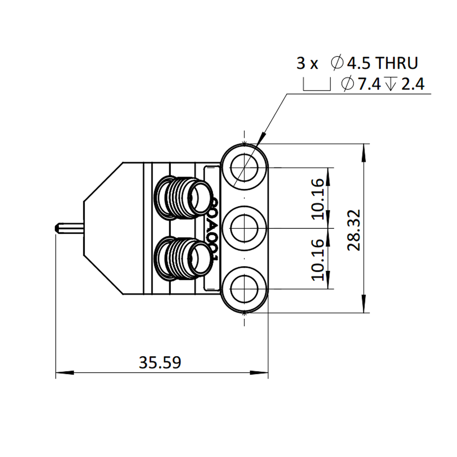
Двойной высокочастотный зонд TITAN™ T67S для измерений в диапазоне DC–67 ГГц. Рабочая температура от -40°C до +175°C, ток до 1 A на канал, напряжение 100 V. Подходит для измерений сверхвысокочастотных интерфейсов и линий передачи данных. MEMS-наконечники и минимальные потери сигнала.
TITAN™ T67S — это высокоточный двойной зонд для измерений в диапазоне до 67 ГГц, ориентированный на тестирование интерфейсов передачи данных следующего поколения и миллиметровых волн.
MEMS-наконечники обеспечивают устойчивое контактирование, минимальное скольжение и высокую стабильность фазовой согласованности между каналами.
Зонд разработан для минимизации перекрестных помех и подходит для применения в области тестирования высокоскоростных дифференциальных трактов: PCIe Gen5, USB4, SerDes-линий, радиочастотных модулей.
Рабочий температурный диапазон составляет от -40°C до +175°C. Максимальный ток на каждый канал — 1 A, напряжение — 100 V.
TITAN™ T67S доступен в исполнении с шириной наконечников 30 мкм (или 20 мкм в RC-версии).
Подключение осуществляется через разъем V-типа (1.85 мм), обеспечивая минимальные потери при работе на частотах выше 50 ГГц.
Особенности:
• Диапазон частот DC–67 ГГц
• Двойной контакт для высокоскоростных дифференциальных интерфейсов
• Низкое контактное сопротивление
• MEMS-наконечники с долгим сроком службы
• Работа с площадками из золота и алюминия
• Надежная поддержка методов калибровки (SOLT, TRL)
| Параметр | Значение |
|---|---|
| Частотный диапазон | DC – 67 ГГц |
| Контактное сопротивление (на золоте) | < 6 мΩ |
| Контактное сопротивление (на алюминии) | < 35 мΩ |
| Рабочая температура | -40°C…+175°C |
| Максимальный ток на канал | 1 A |
| Максимальное напряжение | 100 V |
| Материал наконечника | Никелевый сплав |
| Ширина наконечника | 30 мкм (20 мкм RC) |
| Конфигурация наконечников | GSGSG, GSSG, SGS |
| Разъем | V (1.85 мм), 45° или 90° |
Все покупки на сайте осуществляются с помощью безналичной оплаты.
Все платежи для физических лиц осуществляются через сервис Paykeeper.
Также возможно оформление счета для оплаты от юридического лица (мы работаем с НДС).
Подробная информация на странице «Условия оплаты».

Мы доставляем грузы несколькими транспортными компаниями, подробнее узнать о которых вы можете в разделе «доставка».
Выбрать вариант доставки вы можете при оформлении заказа на сайте, либо связавшись с менеджером
Срок поставки менеджер уточнит после оформления заявки.