Двойной высокочастотный зонд TITAN™ T50S для измерений в диапазоне DC–50 ГГц. Рабочая температура от -40°C до +175°C, ток до 1 A на канал, напряжение 100 V. MEMS-наконечники, высокая стабильность контакта, минимальные потери при работе с высокоскоростными интерфейсами.
TITAN™ T50S — это двойной измерительный зонд от компании MPI Corporation, предназначенный для выполнения высокоточных дифференциальных измерений в диапазоне частот от DC до 50 ГГц.
Конструкция зонда оптимизирована для минимизации паразитных эффектов между двумя сигналами и обеспечивает стабильную фазовую согласованность между каналами.
Стандартная ширина наконечника составляет 30 мкм, что позволяет контактировать с большинством современных контактных площадок. Для приложений с повышенной плотностью предусмотрена RC-версия с шириной контакта 20 мкм.
Диапазон рабочих температур составляет от -40°C до +175°C. Допускается пропускание тока до 1 A на каждый канал при максимальном напряжении 100 V. Наконечники выполнены из никелевого сплава, обеспечивающего низкое контактное сопротивление и длительный срок службы свыше 1 000 000 касаний.
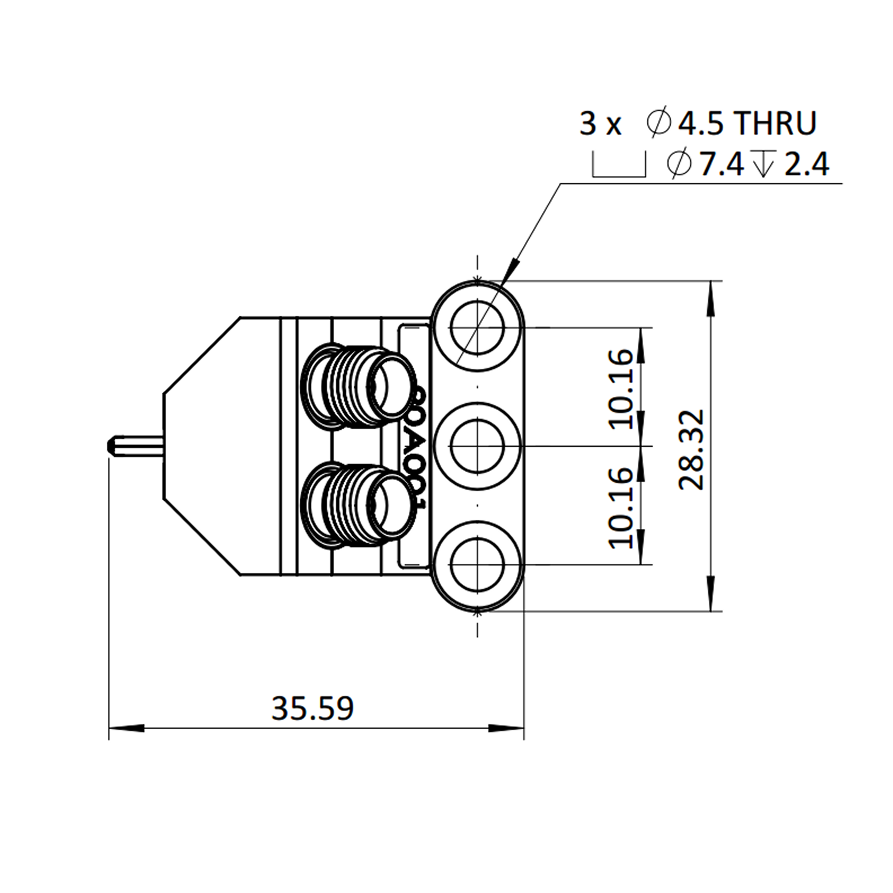
T50S совместим с основными системами калибровки (SOLT, LRM, TRL) и легко интегрируется в тестовые стенды благодаря использованию разъемов Q-типа (2.4 мм) с подключением под углом 45° или 90°.
Двойной зонд TITAN™ T50S идеально подходит для тестирования современных цифровых интерфейсов, радиочастотных трактов, линий передачи данных в микроволновом диапазоне.
Особенности:
• Диапазон частот DC–50 ГГц
• Двойная конструкция для точных дифференциальных измерений
• Низкое контактное сопротивление <6 мΩ
• Поддержка миниатюрных контактных площадок
• Высокая стабильность фазовой согласованности
• Совместимость с VNA и системами калибровки
| Параметр | Значение |
|---|---|
| Частотный диапазон | DC – 50 ГГц |
| Контактное сопротивление (на золоте) | < 6 мΩ |
| Контактное сопротивление (на алюминии) | < 35 мΩ |
| Рабочая температура | -40°C…+175°C |
| Максимальный ток на канал | 1 A |
| Максимальное напряжение | 100 V |
| Материал наконечника | Никелевый сплав |
| Ширина наконечника | 30 мкм (20 мкм RC) |
| Конфигурация наконечников | GSGSG, GSSG, SGS |
| Разъем | Q (2.4 мм), 45° или 90° |
Все покупки на сайте осуществляются с помощью безналичной оплаты.
Все платежи для физических лиц осуществляются через сервис Paykeeper.
Также возможно оформление счета для оплаты от юридического лица (мы работаем с НДС).
Подробная информация на странице «Условия оплаты».

Мы доставляем грузы несколькими транспортными компаниями, подробнее узнать о которых вы можете в разделе «доставка».
Выбрать вариант доставки вы можете при оформлении заказа на сайте, либо связавшись с менеджером
Срок поставки менеджер уточнит после оформления заявки.