Двойной высокочастотный зонд TITAN™ T40S для измерений в диапазоне DC–40 ГГц. Рабочая температура от -40°C до +175°C, ток до 1 A на канал, напряжение 100 V. Оснащён MEMS-наконечниками для стабильного дифференциального контактирования. Идеален для тестирования высокоскоростных цифровых и радиочастотных интерфейсов.
TITAN™ T40S — двойной измерительный зонд от MPI Corporation, специально разработанный для задач дифференциальных измерений и высокоскоростной передачи данных в диапазоне частот до 40 ГГц. Высокоточная конструкция обеспечивает равномерное контактирование двух линий сигнала с минимальным уровнем перекрестных помех и максимально возможной фазовой согласованностью.
Благодаря применению MEMS-технологий наконечников, достигается высокая стабильность контакта, минимизация скольжения и долговечность устройства. Ширина стандартных наконечников составляет 30 мкм, также доступна опция 20 мкм (RC) для плотных тестовых структур.
Диапазон рабочих температур от -40°C до +175°C и возможность пропускания тока до 1 A на канал при напряжении до 100 V делают T40S пригодным для использования в условиях как стандартных лабораторных измерений, так и температурных тестов.
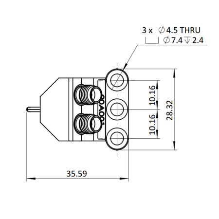
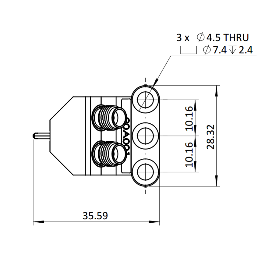
Зонд поддерживает работу с различными типами калибровочных подложек и стандартами, включая SOLT, LRM и TRL. Разъёмы K-типа (2.92 мм) под углом подключения 45° или 90° обеспечивают удобство подключения к современным измерительным системам.
TITAN™ T40S применяется для тестирования интерфейсов PCIe, USB4, SerDes-линий, беспроводных коммуникаций и иных высокочастотных цифровых трактов.
Особенности:
• Диапазон частот от DC до 40 ГГц
• Двойное контактирование для высокоточных дифференциальных измерений
• Низкое контактное сопротивление
• Работа с контактами из Au и Al
• MEMS-наконечники для стабильного результата
• Ресурс свыше 1 000 000 касаний
| Параметр | Значение |
|---|---|
| Частотный диапазон | DC – 40 ГГц |
| Контактное сопротивление (на золоте) | < 6 мΩ |
| Контактное сопротивление (на алюминии) | < 35 мΩ |
| Рабочая температура | -40°C…+175°C |
| Максимальный ток на канал | 1 A |
| Максимальное напряжение | 100 V |
| Материал наконечника | Никелевый сплав |
| Ширина наконечника | 30 мкм (20 мкм RC) |
| Конфигурация наконечников | GSGSG, GSSG, SGS |
| Разъем | K (2.92 мм), 45° или 90° |
Все покупки на сайте осуществляются с помощью безналичной оплаты.
Все платежи для физических лиц осуществляются через сервис Paykeeper.
Также возможно оформление счета для оплаты от юридического лица (мы работаем с НДС).
Подробная информация на странице «Условия оплаты».

Мы доставляем грузы несколькими транспортными компаниями, подробнее узнать о которых вы можете в разделе «доставка».
Выбрать вариант доставки вы можете при оформлении заказа на сайте, либо связавшись с менеджером
Срок поставки менеджер уточнит после оформления заявки.