Двойной высокочастотный зонд TITAN™ T145S для измерений в диапазоне DC–145 ГГц. Рабочая температура от -40°C до +125°C, ток до 0.5 A на канал, напряжение 50 V. Ультратонкие MEMS-наконечники, минимальное пятно контакта, высокая точность для измерений в миллиметровом диапазоне.
TITAN™ T145S от MPI Corporation — это специализированный двойной зонд для измерений в диапазоне до 145 ГГц. Он создан для работы в условиях, где требуются сверхвысокочастотные измерения с минимальными потерями и высокой фазовой согласованностью.
Благодаря использованию MEMS-технологий конструкция наконечников обеспечивает стабильное контактирование даже на площадках минимального размера. Стандартная ширина контакта составляет 25–30 мкм, при этом доступна опция уменьшенного пятна контакта 20 мкм для плотных структур.
TITAN™ T145S оптимизирован для работы на минимальных контактных площадках с высокой плотностью линий передачи данных и идеально подходит для тестирования систем 5G, миллиметровых антенн, фазированных решеток, высокоскоростных интерфейсов.
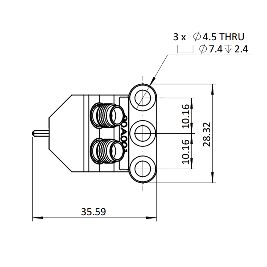
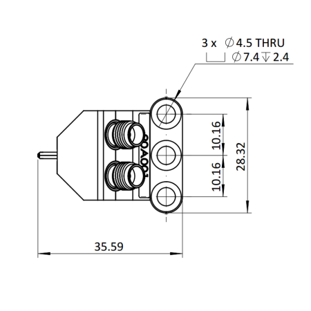
Рабочая температура составляет от -40°C до +125°C, максимальный ток на канал — 0.5 A, напряжение до 50 V. Высокоточные разъемы V-типа (1.0 мм) обеспечивают минимальные отражения на частотах свыше 100 ГГц.
Зонд поддерживает методы калибровки SOLT, LRM и TRL и полностью совместим с современными миллиметровыми VNA-системами.
Особенности:
• Частотный диапазон от DC до 145 ГГц
• Поддержка дифференциальных измерений с высокой фазовой стабильностью
• Минимальное пятно контакта (20–25 мкм)
• MEMS-наконечники с увеличенным сроком службы
• Оптимизация для тестирования 5G и миллиметровых приложений
| Параметр | Значение |
|---|---|
| Частотный диапазон | DC – 145 ГГц |
| Контактное сопротивление | < 10 мΩ |
| Рабочая температура | -40°C…+125°C |
| Максимальный ток на канал | 0.5 A |
| Максимальное напряжение | 50 V |
| Материал наконечника | Никелевый сплав |
| Ширина наконечника | 25–30 мкм (20 мкм RC) |
| Конфигурация наконечников | GSGSG, GSSG, SGS |
| Разъем | V (1.0 мм), 45° или 90° |
Все покупки на сайте осуществляются с помощью безналичной оплаты.
Все платежи для физических лиц осуществляются через сервис Paykeeper.
Также возможно оформление счета для оплаты от юридического лица (мы работаем с НДС).
Подробная информация на странице «Условия оплаты».

Мы доставляем грузы несколькими транспортными компаниями, подробнее узнать о которых вы можете в разделе «доставка».
Выбрать вариант доставки вы можете при оформлении заказа на сайте, либо связавшись с менеджером
Срок поставки менеджер уточнит после оформления заявки.