Акустооптические затворы серии VHE (Very High Efficiency) AOQ-Switchкомпании GOOCH&HOUSEGO, с частотой управляющего сигнала до 68 МГц и антирефлексным (AR) покрытием, предназначены для модуляции добротности, на длине волны 1064нм.
Затворы VHE (Very High Efficiency) AOQ-Switchс водяным охлаждением, на основе кристаллического кварца, с активной апертурой от 1,6 до 4 мм.
Предназначены для использования в высокомощных лазерах Nd:YAG& NdYVO4 с линейно поляризованным излучением и высоким коэффициентом усиления, в качестве активной среды которых, используется алюмо-иттриевый гранат («YAG», Y3Al5O12) легированный ионами неодима (Nd).
Использование уникальной запатентованной акустооптической конструкции Gooch&Housegoпозволяет обеспечить до 96% модуляционных потерь за один проход, по сравнению с 85% в обычных конструкциях.
Запатентованная технология производства "Stallion" обеспечивает превосходную коррозионную стойкость при сохранении оптимальной производительности и возможности предоставления ВЧ мощности до 100 Вт (для варианта с акустическим режимом сдвига).
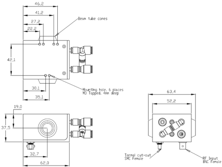
В дополнении к указанной спецификации мы также можем предложить альтернативные длины волн, частоты модуляции, активные апертуры и широкий спектр индивидуальных конфигураций корпуса.
Особенности
- Превосходная коррозионная стойкость
- Охлаждающие каналы из нержавеющей стали
- Высокий порог повреждения
- ВЧ мощность до 100Вт
- Возможность изготовления АО затворов с заказной конфигурацией
Применение
- Обработка материалов
- Гравировка
- Сверление
- Маркировка
- Обработка поверхностей
- Модуляция добротности (Q Switching)
|
Параметр |
Значение |
Ед. измерения |
|
Материал |
Кристаллический кварц |
|
|
Длина волны |
1064 |
нм |
|
Частота модуляции |
68 |
МГц |
|
Антирефлексное (AR) отражающее покрытие |
< 0,2% поверхности |
|
|
Акустический режим |
режим сжатия |
|
|
Модуляционные потери |
>95% |
|
|
Активная акустическая апертура |
1,6 /2 /2,5 /3 /4 |
мм |
|
Материал канала водяного охлаждения |
Нержавеющая сталь 316 |
|
|
Рекомендуемая температура воды |
от +22 до +32 |
°C |
|
ВЧ номинальная мощность (максимум) |
100 Вт, непрерывный режим (CW) |
|
|
Фактический расход воды |
>190 |
см3/мин |
|
Коэффициент стоячей волны по напряжению |
< 1.2:1 |
|
|
Охлаждение |
Водяное охлаждение. Температура хранения: от -20 до +70 °C |
|
Все покупки на сайте осуществляются с помощью безналичной оплаты.
Все платежи для физических лиц осуществляются через сервис Paykeeper.
Также возможно оформление счета для оплаты от юридического лица (мы работаем с НДС).
Подробная информация на странице «Условия оплаты».

Мы доставляем грузы несколькими транспортными компаниями, подробнее узнать о которых вы можете в разделе «доставка».
Выбрать вариант доставки вы можете при оформлении заказа на сайте, либо связавшись с менеджером
Срок поставки менеджер уточнит после оформления заявки.