Специализированная версия акустооптических затворов - I-QS027-4S4V2-x5-ST1, серии Stallion Q-Switch компании GOOCH&HOUSEGO, с частотой управляющего сигнала до 27,12 МГц и антирефлексным (AR) покрытием, предназначены для модуляции добротности, оптимизированная для работы на длине волны 1550нм.
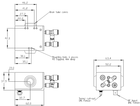
Затворы I-QS027-4S4V2-x5-ST1 с водяным охлаждением, на основе безводного плавленого кварца, с активной апертурой до 4 мм.
Запатентованная технология производства "Stallion" обеспечивает превосходную коррозионную стойкость при сохранении оптимальной производительности и возможности предоставления ВЧ мощности до 100Вт.
Благодаря сочетанию высшего сорта плавленого кварца, высококачественной оптической полировки и внутреннего антиотражающего покрытия, АО затвор I-QS027-4S4V2-x5-ST1 - обладает низкими вносимыми потерями и высоким порогом повреждения.
В дополнении к указанной спецификации мы также можем предложить альтернативные длины волн, частоты модуляции, активные апертуры и широкий спектр индивидуальных конфигураций корпуса.
Особенности
- Длина волны 1550нм
- Превосходная коррозионная стойкость
- Охлаждающие каналы из нержавеющей стали
- Высокий порог повреждения
- Возможность изготовления АО затворов с заказной конфигурацией
Применение
- Обработка материалов
- Маркировка
- Медицина
- Научные применения
- Модуляция добротности (Q Switching)
|
Параметр |
Значение |
Ед. измерения |
|
Материал |
Безводный плавленый кварц, марки Infrasil |
|
|
Длина волны |
1550 |
нм |
|
Поляризация |
любая |
|
|
Частота модуляции |
27,12 |
МГц |
|
Порог повреждения |
> 500 |
МВт см-2 |
|
Антирефлексное (AR) отражающее покрытие |
< 0,2% поверхности |
|
|
Акустический режим |
режим сдвига |
|
|
Модуляционные потери |
>60% |
|
|
Активная акустическая апертура |
4 |
мм |
|
Материал канала водяного охлаждения |
Нержавеющая сталь 316 |
|
|
Рекомендуемая температура воды |
от +22 до +32 |
°C |
|
ВЧ номинальная мощность (максимум) |
100 Вт |
|
|
Фактический расход воды |
> 0,2 |
л/мин |
|
Коэффициент стоячей волны по напряжению |
< 1.2:1 (<1.4: 1 при ВЧ мощности 50 Вт) |
|
|
Охлаждение |
Водяное охлаждение. |
|
Все покупки на сайте осуществляются с помощью безналичной оплаты.
Все платежи для физических лиц осуществляются через сервис Paykeeper.
Также возможно оформление счета для оплаты от юридического лица (мы работаем с НДС).
Подробная информация на странице «Условия оплаты».

Мы доставляем грузы несколькими транспортными компаниями, подробнее узнать о которых вы можете в разделе «доставка».
Выбрать вариант доставки вы можете при оформлении заказа на сайте, либо связавшись с менеджером
Срок поставки менеджер уточнит после оформления заявки.