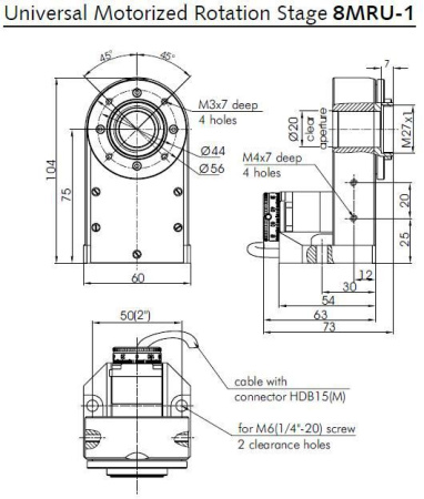
Представляет собой простое решение для непрерывного вращения оптического элемента на 360° вокруг своей оси. Центральное сквозное отверстие с резьбой М27х1 предназначено для крепления оптических элементов диаметром 1'' (25.4 мм).
В комплект входят кольца, позволяющие фиксировать оптический элемент в отверстии платформы. Возможна комплектация платформы турелью с креплениями для фильтров или универсальной платформой.
8MRU с различными аксессуарами может использоваться как многофункциональное устройство.
Возможно изготовление различных дополнительных приспособлений к платформе под заказ.
Комплектация с турелью для фильтров 8MRU-1WA. Возможна установка до 8 фильтров диаметром 1”.
Комплектация с универсальной монтажной платформой 8MRU-1TP с сеткой отверстий М4 и М6.
- Поворот на 360 градусов
- Возможность использования с турелью для фильтров
- Возможность использования с универсальной монтажной платформой
- Доступна вакуумная версия
- Моедь 8MRU-1TP: сетка отверстий M6 и M4
Все покупки на сайте осуществляются с помощью безналичной оплаты.
Все платежи для физических лиц осуществляются через сервис Paykeeper.
Также возможно оформление счета для оплаты от юридического лица (мы работаем с НДС).
Подробная информация на странице «Условия оплаты».

Мы доставляем грузы несколькими транспортными компаниями, подробнее узнать о которых вы можете в разделе «доставка».
Выбрать вариант доставки вы можете при оформлении заказа на сайте, либо связавшись с менеджером
Срок поставки менеджер уточнит после оформления заявки.