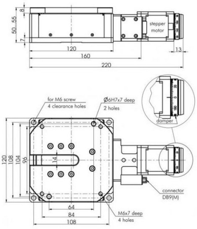
Позволяет перемещать объекты массой до 8 кг по вертикали. Возможна установка на вал шагового двигателя энкодера с 1000 отсчетов на оборот.
- Компактный
- Стабильный
- Два концевых выключателя
| Параметр | Значение |
| Диапазон перемещения | 5 мм |
| Разрешение в полном шаге | 0.625 мкм |
| в 1/8 шага | 0.078 мкм |
| Шаг направляющего винта | 0.5 мм |
| Передаточное число | 4:1 |
| Повторяемость | 3 мкм |
| Точность | 10 мкм |
| Параллельность относительно основания при подъеме | 20 мкм |
| Плоскостность подъемной поверхности | 10 мкм |
| Максимальная стабильность позиционирования | 3 мкм |
| Максимальная скорость | 2.5 мм/с |
| Максимальная грузоподъемность | 8 кг |
| Разъем двигателя | DB9(M) |
| Шаговый двигатель | 4247 |
| Рекомендуемые контроллеры | 8SMC5-USB, 8SMC5-RS232 |
| Концевые выключатели | 2, оптопара |
Все покупки на сайте осуществляются с помощью безналичной оплаты.
Все платежи для физических лиц осуществляются через сервис Paykeeper.
Также возможно оформление счета для оплаты от юридического лица (мы работаем с НДС).
Подробная информация на странице «Условия оплаты».

Мы доставляем грузы несколькими транспортными компаниями, подробнее узнать о которых вы можете в разделе «доставка».
Выбрать вариант доставки вы можете при оформлении заказа на сайте, либо связавшись с менеджером
Срок поставки менеджер уточнит после оформления заявки.