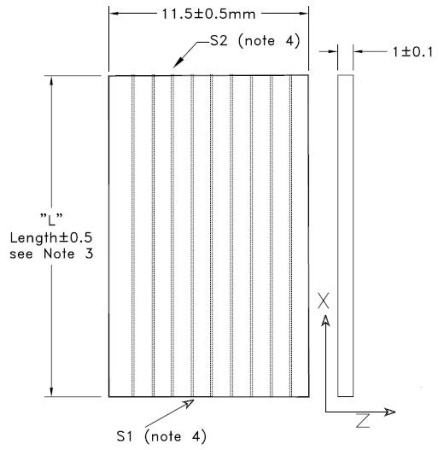
Периодически поляризованные пластины ниобата лития (PPLN) позволяют достичь эффективного преобразования длины волны в диапазоне от видимого до среднего ИК излучения.
Для генерации видимого излучения пластина MgO:PPLN является лучшим выбором, 5% легирование обеспечивает материал высоким порогом фоторефрактивного повреждения. Средняя мощность до 1В может быть получена при длине волны 532 нм, не вызывая искажение луча.
Пластины используют для генерации второй и третьей гармоник, смешения частот, в оптических параметрических генераторах, оптических параметрических усилителях.
|
Параметр |
Значение |
Единицы измерения |
||
|---|---|---|---|---|
|
Материал |
периодически поляризованный ниобат лития |
- |
||
|
Длина |
19, 50 ± 0,5 |
мм |
|
|
|
Расстояние между поляризованными структурами |
0,09 |
мм |
|
|
|
Период поляризованных структур |
28,5; 28,7; 28,9; 29,1; 29,3; 29,5; 29,7; 29,9 |
мкм |
|
|
|
Апертура |
1 |
- |
|
|
|
Сторона S1 |
Полировка |
да |
- |
|
|
Качество поверхности |
20 - 10 |
царапин/сколов |
||
|
Краевые сколы на торцах |
<2 c характерным размером 100 мкм |
- |
|
|
|
Размер апертуры в Z плоскости |
<900 |
мкм |
||
|
|
||||
|
Сторона S2 |
Полировка |
да |
- |
|
|
Качество поверхности |
20 - 10 |
царапин/сколов |
||
|
Краевые сколы на торцах |
<2 c характерным размером 100 мкм |
- |
|
|
|
Размер апертуры в Z плоскости |
<900 |
мкм |
||
|
Параллелизм торцевых граней |
5 |
угловых минут |
|
|
Все покупки на сайте осуществляются с помощью безналичной оплаты.
Все платежи для физических лиц осуществляются через сервис Paykeeper.
Также возможно оформление счета для оплаты от юридического лица (мы работаем с НДС).
Подробная информация на странице «Условия оплаты».

Мы доставляем грузы несколькими транспортными компаниями, подробнее узнать о которых вы можете в разделе «доставка».
Выбрать вариант доставки вы можете при оформлении заказа на сайте, либо связавшись с менеджером
Срок поставки менеджер уточнит после оформления заявки.