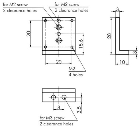
Жесткая пластина, согнутая под углом 90°. Используется для крепления трансляторов при вертикальном перемещении. Позволяет располагать закрепленные на стержне элементы параллельно поверхности стола, создавать регулируемые по высоте основания для крепления оптических элементов.
- Масса 0,02 кг
- Материал: алюминий с черным анодированным покрытием.
- Используется с 7R128, 7T128, 7T228
Все покупки на сайте осуществляются с помощью безналичной оплаты.
Все платежи для физических лиц осуществляются через сервис Paykeeper.
Также возможно оформление счета для оплаты от юридического лица (мы работаем с НДС).
Подробная информация на странице «Условия оплаты».

Мы доставляем грузы несколькими транспортными компаниями, подробнее узнать о которых вы можете в разделе «доставка».
Выбрать вариант доставки вы можете при оформлении заказа на сайте, либо связавшись с менеджером
Срок поставки менеджер уточнит после оформления заявки.