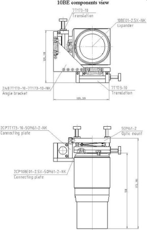
Расширители пучка 10ВЕ01 имеют две линзы и могут быть сфокусированы на минимальное расстояние 2 м. В расширителе пучка такого типа аберрации могут быть полностью скомпенсированы только в одной точке. В зависимости от нужд заказчика и применения мы можем изготовить линзы расширителя с компенсацией аберраций в области фокуса на расстоянии 2 м или в бесконечности. Расширители могут быть изготовлены для любой длины волны в диапазоне 450-2000 нм.
- Расширение 2.5Х или 5Х
- Линзы имеют антиотражающее покрытие
- диапазон фокусировки от 2 м до бесконечности
- Расширение пучков с высокой энергией
| Параметр | Значение |
| Длина волны | 532 нм (или на заказ) |
| Входная апертура | <12 мм |
| Выходная апертура | <45 мм |
| Расширение | 2,5 |
| Фокусное расстояние | 2 м или бесконечность |
| XY-позиционирование | +5 мм |
| Диапазон угловых перемещений | +4,5 градуса |
| Материал оправы | Черный анодированный алюминий |
| Примечание | с XY позиционированием и наклоном |
Все покупки на сайте осуществляются с помощью безналичной оплаты.
Все платежи для физических лиц осуществляются через сервис Paykeeper.
Также возможно оформление счета для оплаты от юридического лица (мы работаем с НДС).
Подробная информация на странице «Условия оплаты».

Мы доставляем грузы несколькими транспортными компаниями, подробнее узнать о которых вы можете в разделе «доставка».
Выбрать вариант доставки вы можете при оформлении заказа на сайте, либо связавшись с менеджером
Срок поставки менеджер уточнит после оформления заявки.