Перестраиваемые акустооптические фильтры серии TF1900-1200-6-11-GH54A компании GOOCH&HOUSEGO, предназначенные для пропускания оптического излучения в спектральном диапазоне длин волн от 1300 -2500 нм.
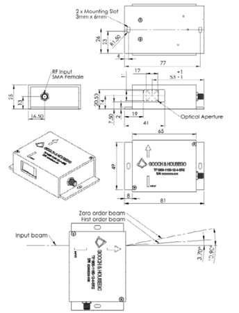
Перестраиваемый фильтр серии TF1900-1200-6-11-GH54A изготовлен из анизотропного диоксида теллура (TeO2), с преобразователем из ниобата лития (LiNbO3), предназначен для применений в видеоспектрометрах ближней инфракрасной области. Активная оптическая апертура 11*12 мм.
Модулятор в сборе должен быть установлен на зажимном приспособлении (зафиксирован), чтобы обеспечить достаточную регулировку с целью повышения до пика эффективность модуляции.
Сочетание высшего сорта диоксида теллура с высоким качеством оптического покрытия в корпусе с антирефлексным покрытием, а также большая апертура AOTFможет предоставить характеристики изображения с ограниченной дифракцией.
Высокая скорость, произвольный доступ, твердотельная технология делают спектрометры на основе акустооптических перестраиваемых фильтров (AOTF) идеально подходящими для таких применений, как онлайн управление технологическим процессом.
Использование AOTFв сочетании с частотным синтезированным драйвером 64040-150-10MDFS-16X1 компании GOOCH&HOUSEGO, обеспечивает независимое управление частотой, амплитудой и фазой до 16-ти каналов, позволяя создавать активную полосу пропускания и контролировать профиль, или создавать несколько отдельных полос пропускания.
Модулятор может управляться любым драйвером с генератором с кварцевой стабилизацией частоты или синтезированным генератором с стабильностью частоты <0.02% и номинальным сопротивлением 50 Ом. Однако рекомендуется использование драйвера NEOS, для систематического достижения оптимальной производительности.
В дополнении к указанной спецификации мы также можем предложить альтернативные длины волн, частоты модуляции, активные апертуры и широкий спектр индивидуальных конфигураций корпуса
Особенности
- Спектральный диапазон 1300 - 2500 нм
- Большая апертура
- Высокая скорость, произвольный доступ
- Адаптация разрешения
- Твердотельные технологии
- Доступны пользовательские конфигурации
Применение
- Гиперспектральные / Многоспектральные изображения
- Биомедицина
- Экология окружающей среды
- Фармацевтика
- Безопасность
- Микроскопия
- Спектроскопия
|
Параметр |
Значение |
Ед. измерения |
|
Материал |
диоксид теллура (анизотропный) |
|
|
Спектральный диапазон |
1300-2500 |
нм |
|
Частота |
40 - 80 |
МГц |
|
Разрешение (FWHM) |
6 |
нм при 1900 нм |
|
Поляризация |
Поляризация чувствительности |
|
|
Поляризация дифрагированного порядка |
Линейная, ортогонально к входу (90º поворот) |
|
|
Дифракционная эффективность |
>90% |
|
|
Зона обзора |
± 3 |
градус |
|
Расхождение пучка |
≥ 6,5 |
градус |
|
Активная акустическая апертура |
11*12 |
мм |
|
Разрешение по полосе пропускания |
6 |
нм |
|
Максимальная ВЧ мощность |
5 |
Вт |
|
Входное сопротивление |
50 |
Ом |
|
Корпус |
GH54 |
|
Все покупки на сайте осуществляются с помощью безналичной оплаты.
Все платежи для физических лиц осуществляются через сервис Paykeeper.
Также возможно оформление счета для оплаты от юридического лица (мы работаем с НДС).
Подробная информация на странице «Условия оплаты».

Мы доставляем грузы несколькими транспортными компаниями, подробнее узнать о которых вы можете в разделе «доставка».
Выбрать вариант доставки вы можете при оформлении заказа на сайте, либо связавшись с менеджером
Срок поставки менеджер уточнит после оформления заявки.