Перестраиваемые акустооптические фильтры серии TF850-500-10-6-GH58A компании GOOCH&HOUSEGO, предназначенные для пропускания оптического излучения в спектральном диапазоне длин волн от 600 -1100 нм.
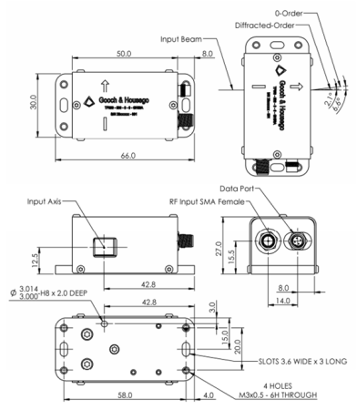
Перестраиваемый фильтр серии TF850-500-10-6-GH58A изготовлен из анизотропного диоксида теллура (TeO2), с преобразователем из ниобата лития (LiNbO3), предназначен для спектроскопических применений. Активная оптическая апертура 6 мм.
Модулятор в сборе должен быть установлен на зажимном приспособлении (зафиксирован), чтобы обеспечить достаточную регулировку с целью повышения до пика эффективность модуляции.
Высокая скорость, произвольный доступ, твердотельная технология делают спектрометры на основе акустооптических перестраиваемых фильтров (AOTF) идеально подходящими для таких применений, как онлайн управление технологическим процессом.
Модулятор может управляться любым драйвером с генератором с кварцевой стабилизацией частоты или синтезированным генератором с стабильностью частоты <0.02% и номинальным сопротивлением 50 Ом. Однако рекомендуется использование драйвера NEOS, для систематического достижения оптимальной производительности.
В дополнении к указанной спецификации мы также можем предложить альтернативные длины волн, частоты модуляции, активные апертуры и широкий спектр индивидуальных конфигураций корпуса
Особенности
- Спектральный диапазон 600 - 1100 нм
- Высокая скорость, произвольный доступ
- Адаптация разрешения
- Твердотельные технологии
Применение
- Спектроскопия
- Он-лайн управление технологическим процессом
- Фармацевтика
- Экология
- Биомедицина
- Сельское хозяйство
- Химия
|
Параметр |
Значение |
Ед. измерения |
|
Материал |
диоксид теллура (анизотропный) |
|
|
Спектральный диапазон |
600-1100 |
нм |
|
Частота |
49 - 98 |
МГц |
|
Разрешение (FWHM) |
10 |
нм при 850 нм |
|
Поляризация |
Линейная, вертикально по отношению к основанию |
|
|
Дифракционная эффективность |
>90% |
|
|
Зона обзора |
± 2 |
градус |
|
Расхождение пучка |
≥ 4 |
градус |
|
Активная акустическая апертура |
6 |
мм |
|
Разрешение по полосе пропускания |
10 |
нм |
|
ВЧ мощность драйвера |
1,5 |
Вт |
|
Входное сопротивление |
50 |
Ом |
|
Корпус |
GH58 |
|
Все покупки на сайте осуществляются с помощью безналичной оплаты.
Все платежи для физических лиц осуществляются через сервис Paykeeper.
Также возможно оформление счета для оплаты от юридического лица (мы работаем с НДС).
Подробная информация на странице «Условия оплаты».

Мы доставляем грузы несколькими транспортными компаниями, подробнее узнать о которых вы можете в разделе «доставка».
Выбрать вариант доставки вы можете при оформлении заказа на сайте, либо связавшись с менеджером
Срок поставки менеджер уточнит после оформления заявки.