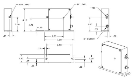
Драйвер 97-02910-14 дает управляющий сигнал 2,5 Вт на частоте 150 МГц. Мощность сигнала настраивается с помощью винтового потенциометра в диапазоне от 0,5 до 2,5 Вт.
Аналоговая модуляция сигнала позволяет получать уровень от 0 до 100% установленной максимальной мощности.
Драйвер отлично подходит для 150 МГц акустооптических модуляторов, требующих умеренные мощности управляющего сигнала (1,5 – 2,5 Вт). Также драйвер хорошо подходит для волоконных модуляторов добротности.
Особенности
- 2,5 Вт управляющий сигнал
- Отношение вкл/выкл > 45 дБ
- Быстрая аналоговая модуляция
- Постоянная мощность сигнала
- Теплоотвод через основание корпуса
Применение
-
Акустооптические модуляторы волоконных лазеров
- Применения акустооптики для быстрой модуляции
- Акустооптические модуляторы
Вход модулятора
|
Параметр |
Значение |
Единица измерения |
|
Входное сопротивление |
50 |
Ом |
|
Аналоговый вход (SMC) |
от 0 до 1 |
В |
РЧ выход
|
Параметр |
Значение |
Единица измерения |
|
Центральная частота |
150 ±0,1% |
МГц |
|
Выходная мощность (SMA Female) |
2,5 |
Вт |
|
Время нарастания / спада |
7 |
нс |
|
Коэффициент РЧ контрастности |
45 |
дБ |
|
Гармоническое искажение |
-20 |
дБн |
|
Выходное сопротивление |
50 |
Ом |
|
Выходной КСВН |
1,5 : 1 Макс |
- |
|
Напряжение источника питания (при 775 мА) |
24 |
В |
Все покупки на сайте осуществляются с помощью безналичной оплаты.
Все платежи для физических лиц осуществляются через сервис Paykeeper.
Также возможно оформление счета для оплаты от юридического лица (мы работаем с НДС).
Подробная информация на странице «Условия оплаты».

Мы доставляем грузы несколькими транспортными компаниями, подробнее узнать о которых вы можете в разделе «доставка».
Выбрать вариант доставки вы можете при оформлении заказа на сайте, либо связавшись с менеджером
Срок поставки менеджер уточнит после оформления заявки.