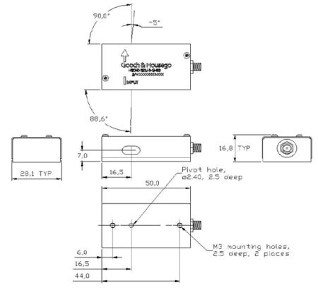
Акустооптические преобразователи частоты серии I-FS040-2S2J-3-GH53 компании GOOCH&HOUSEGO, с интегрированным RF драйвером, предназначенные для модификации частоты оптического пучка, на длине волны 532 нм.
Компактный преобразователь частоты серии I-FS040-2S2J-3-GH53 изготовлен из диоксида теллура (TeO2), разработан, чтобы облегчить конфигурацию двойной передачи.
Благодаря низким требованиям к источнику питания - 0,5 Вт, частотой 40 МГц и высокой дифракционной эффективности - это устройство идеально подходит для использования в гетеродинных интерферометрических системах, в частности в лазерной доплеровской велосиметрии (LDV - Laser Doppler Velocimetry).
В дополнении к указанной спецификации мы также можем предложить альтернативные длины волн, частоты модуляции, активные апертуры и широкий спектр индивидуальных конфигураций корпуса
Особенности
- Частота 40 МГц
- Длина волны 1550 нм
- Высокая эффективность
- Материал - диоксид теллура
Применение
- Гетеродинная интерферометрия
- Лазерный доплеровский виброметр (LDV - laser Doppler Vibrometer)
- Лазерный доплеровский велосиметр (LDV - Laser Doppler Velocimetry)
- 3D лазерное сканирование
- Лидары
|
Параметр |
Значение |
Ед. измерения |
|
Материал |
диоксид теллура |
|
|
Длина волны |
1550 |
нм |
|
Частота |
40 |
МГц |
|
Акустический режим |
медленный сдвиг |
|
|
Антирефлексное отражающее покрытие |
0,3% |
|
|
Дифракционная эффективность |
>90% |
|
|
Порог повреждения |
> 1 |
МВт / см2 |
|
Входная поляризация |
линейная |
|
|
Поляризация дифрагированного пучка |
линейная и ортогональная к входу и нулевой порядок пучка |
|
|
Ориентация дифрагированного пучка |
~ 1.4° |
|
|
Световой диаметр |
3,0 x 5,0мм (мин.) |
|
|
Активная акустическая апертура |
2,0 x 4,0 (H x W) |
мм |
|
Рекомендуемый диаметр пучка |
1 |
мм |
|
Время нарастания (10-90%) |
1.6 |
мсек/ мм |
|
ВЧ мощность драйвера |
0,5 типичное (1,0 макс) |
Вт |
|
Входное сопротивление |
50 |
Ом |
|
ВЧ разъем |
SMA Female |
|
|
Корпус |
GH53 |
|
Все покупки на сайте осуществляются с помощью безналичной оплаты.
Все платежи для физических лиц осуществляются через сервис Paykeeper.
Также возможно оформление счета для оплаты от юридического лица (мы работаем с НДС).
Подробная информация на странице «Условия оплаты».

Мы доставляем грузы несколькими транспортными компаниями, подробнее узнать о которых вы можете в разделе «доставка».
Выбрать вариант доставки вы можете при оформлении заказа на сайте, либо связавшись с менеджером
Срок поставки менеджер уточнит после оформления заявки.