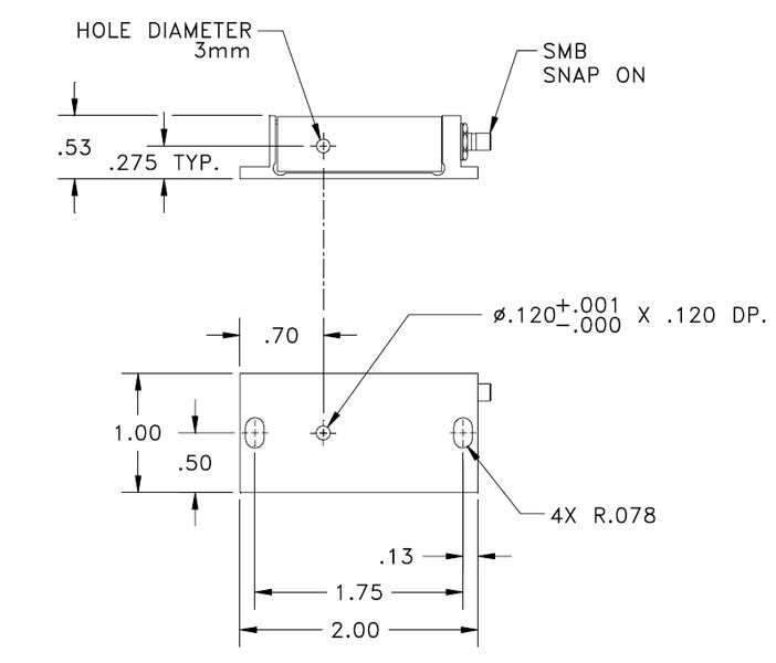
Акустооптические модуляторы AOMO 3200-124 компании GOOCH&HOUSEGO, с центральной частотой 200 МГц, антирефлексным (AR) покрытием оптимизированы для модуляции оптического сигнала в ИК диапазоне длин волн - 780-850 нм.
Модулятор AOMO 3200-124 из диоксида теллура (TeO2 ) с активной апертурой 0,32 мм и минимальным временем нарастания 10 нс.
Применение
- Модуляторы интенсивности
- Лазерное охлаждение
- Печать
- Маркировка
- Лазерный доплеровский виброметр (LDV - laser Doppler Vibrometer)
- Лазерный доплеровский велосиметр (LDV - Laser Doppler Velocimetry)
- Обработка материалов
- Микрообработка
|
Параметр |
Значение |
Ед. измерения |
|
Материал |
Плавленый кварц (кварцевое стекло) |
|
|
Спектральный диапазон |
780-850 |
нм |
|
Звуковая скорость |
4,2 |
мм/мсек |
|
Активная акустическая апертура |
2.5 мм 'L' x 0.32 мм 'H' |
|
|
Центральная частота модуляции |
200 |
МГц |
|
RF Пропускная способность |
50 МГц @ -10 дБ обратные потери |
|
|
Вносимые потери |
3 |
% |
|
Коэффициент отражения поверхности |
1 |
% |
|
Антибликовое покрытие |
MIL-C-48497 |
|
|
Оптическая плотность мощности |
250 |
Вт/мм2 |
|
Входное сопротивление |
50 |
Ом |
|
Коэффициент стоячей волны по напряжению |
1.3:1 |
|
|
Коэффициент контрастности |
1000:1 мин. |
|
|
Поляризация |
90 ° для монтажной плоскости |
|
Характеристики в зависимости от длины волны
|
Длина волны (нм) |
830 |
|
RF Мощность (Вт) |
2,0 |
|
Угол Брэгга (мр) |
19,8 |
|
Разделение пучка (мр) |
39,6 |
Характеристики в зависимости от диаметра пучка
|
Диаметр пучка (мкм) на длине волны 830 (нм) |
150 |
|
Дифференциальная эффективность (%) |
70 |
|
Время нарастания (нс) |
29 |
|
Модуляционная полоса пропускания |
21 |
|
Эллиптичность пучка |
10 |
Все покупки на сайте осуществляются с помощью безналичной оплаты.
Все платежи для физических лиц осуществляются через сервис Paykeeper.
Также возможно оформление счета для оплаты от юридического лица (мы работаем с НДС).
Подробная информация на странице «Условия оплаты».

Мы доставляем грузы несколькими транспортными компаниями, подробнее узнать о которых вы можете в разделе «доставка».
Выбрать вариант доставки вы можете при оформлении заказа на сайте, либо связавшись с менеджером
Срок поставки менеджер уточнит после оформления заявки.