Акустооптические затворы серии Industry Standard QS компании GOOCH&HOUSEGO, с частотой управляющего сигнала до 68 МГц и антирефлексным (AR) покрытием, предназначены для модуляции добротности, на длине волны 1064нм.
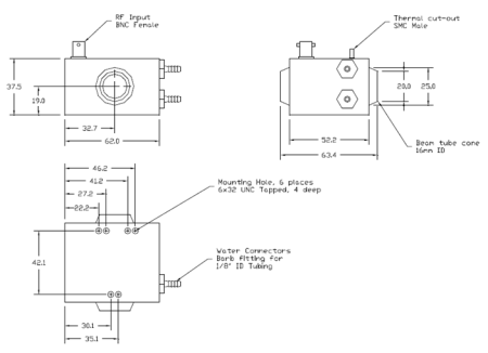
Затворы Industry Standard QS с водяным охлаждением, на основе плавленого кварца, с активной апертурой от 1,6 до 8 мм.
Предназначены для использования в высокомощных лампах или для лазеров Nd:YAG, с диодной накачкой, в качестве активной среды которых, используется алюмо-иттриевый гранат («YAG», Y3Al5O12) легированный ионами неодима (Nd).
Благодаря сочетанию высшего сорта плавленого кварца, высококачественной оптической полировки и внутреннего антиотражающего покрытия, АО затвор серии Industry Standard QS - обладает низкими вносимыми потерями и высоким порогом повреждения.
В стандартной спецификации возможны вариации ВЧ частоты от 24 до 68 МГц, активной апертуры от 1,6 до 8 мм и акустического режима (режим сжатия для линейной поляризации или режим сдвига частоты для случайной поляризации)
В дополнении к указанной спецификации мы также можем предложить альтернативные длины волн, частоты модуляции, активные апертуры и широкий спектр индивидуальных конфигураций корпуса.
Особенности
- Промышленный стандарт для лазеров Nd: YAG
- Высокий порог повреждения
- Низкие вносимые потери
- ВЧ мощность до 100Вт
- Возможность изготовления АО затворов с заказной конфигурацией
Применение
- Обработка материалов
- Гравировка
- Сверление
- Маркировка
- Обработка поверхности
- Медицина (хирургия)
- PIV (Particle Image Velocimetry) – Цифровая Трассерная визуализация
- Модуляция добротности (Q Switching)
| Параметр | Значение | Ед. измерения | 
| Материал | Плавленый кварц | |
| Длина волны | 1064 | нм | 
| Частота модуляции | 24 | МГц | 
| Антирефлексное (AR) отражающее покрытие | < 0,2% поверхности | |
| Акустический режим | режим сжатия режим сдвига | |
| Статические вносимые потери | ≤6% при мощности лазера 50 Вт | |
| Активная акустическая апертура | 1,6 /2 /3 /4 /5/ 6,5 /8 | мм | 
| Материал канала водяного охлаждения | Алюминий (настоятельно рекомендуется использование деионизированной воды) | |
| Рекомендуемая температура воды | от +22 до +32 | °C | 
| ВЧ номинальная мощность (максимум) | 50 Вт, непрерывный режим (CW) для режима сжатия | |
| Фактический расход воды | >190 | см3/мин | 
| Коэффициент стоячей волны по напряжению | < 1.2:1 (<1.4: 1 при ВЧ мощности 50 Вт) | |
| Охлаждение | Водяное охлаждение. | |
	 Все покупки на сайте осуществляются с помощью безналичной оплаты.
	 Все платежи для физических лиц осуществляются через сервис Paykeeper.
	 Также возможно оформление счета для оплаты от юридического лица (мы работаем с НДС). 
	 Подробная информация на странице «Условия оплаты».
	   
 
    
   
Мы доставляем грузы несколькими транспортными компаниями, подробнее узнать о которых вы можете в разделе «доставка».
Выбрать вариант доставки вы можете при оформлении заказа на сайте, либо связавшись с менеджером 
Срок поставки менеджер уточнит после оформления заявки.
 
											 
											