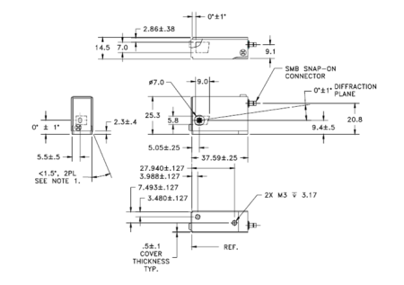
Акустооптические дефлекторы серии AOBD 4080-13 компании GOOCH&HOUSEGO, с центральной частотой управляющего сигнала 80 МГц, предназначенные для управления угловым положением оптического луча в пространстве, на длине волны 635 нм.
Дефлектор серии AOBD 4080-13 изготовлен из диоксида теллура (Те02), оптимизирован для сканирующих применений на длине волны 635 нм.
Акустооптический дефлектор может управляться любым драйвером с номинальным сопротивлением- 50 Ом, однако рекомендуется использование драйвера NEOS, для систематического достижения оптимальной производительности
Оптический сигнал на входе серии AOBD 4080-13 не должен превышать 500 мВатт в непрерывном режиме (CW).
Применение
- Лучевое сканирование
- Микрообработка
- Маркировка
- Обработка материалов
- Печать
|
Параметр |
Значение |
Ед. измерения |
|
Материал |
Диоксид теллура (TeO2) |
|
|
Акустический режим |
режим сдвига, по оси |
|
|
Звуковая скорость |
617 |
м/мкс ±1% |
|
Длина волны |
635 |
нм |
|
Центральная частота (Fc) |
80 |
МГц |
|
Частота модуляции |
76-84 |
МГц |
|
Вносимые потери |
<5% |
|
|
Вх/вых. поляризация |
Линейная, горизонтальная |
|
|
Минимальная дифракционная эффективность |
50% |
|
|
Ширина пропускания по радиочастоте |
8 |
МГц |
|
Активная акустическая апертура |
2 мм (H) х 2 мм (L) |
мм |
|
Угол сканирования |
8,2 мрад |
|
|
Произведение длительности сигнала на ширину полосы пропускания |
N/A |
|
|
ВЧ номинальная мощность |
< 500 |
мВт |
|
Сопротивление |
50 |
Ом |
|
Коэффициент стоячей волны по напряжению |
< 1.65:1 |
|
Все покупки на сайте осуществляются с помощью безналичной оплаты.
Все платежи для физических лиц осуществляются через сервис Paykeeper.
Также возможно оформление счета для оплаты от юридического лица (мы работаем с НДС).
Подробная информация на странице «Условия оплаты».

Мы доставляем грузы несколькими транспортными компаниями, подробнее узнать о которых вы можете в разделе «доставка».
Выбрать вариант доставки вы можете при оформлении заказа на сайте, либо связавшись с менеджером
Срок поставки менеджер уточнит после оформления заявки.