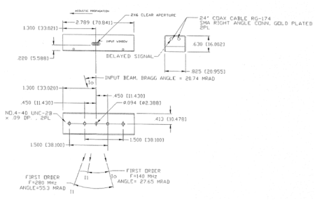
Акустооптические дефлекторы серии AOBD 4210-IR компании GOOCH&HOUSEGO, с центральной частотой управляющего сигнала 210 МГц, предназначенные для управления угловым положением оптического луча в пространстве, на длине волны 830 нм.
Дефлектор серии AOBD 4210-IR изготовлен из диоксида теллура (Те02), оптимизирован для высокоскоростного сканирования на длине волны 830 нм.
Акустооптический дефлектор может управляться любым драйвером с номинальным сопротивлением- 50 Ом, однако рекомендуется использование драйвера NEOS, для систематического достижения оптимальной производительности
Оптический сигнал на входе серии AOBD 4210-IR не должен превышать 3 Ватт в непрерывном режиме (CW).
Применение
- Лучевое сканирование
- Микрообработка
- Маркировка
- Обработка материалов
- Печать
- Он-лайн управление процессом
|
Параметр |
Значение |
Ед. измерения |
|
Материал |
Диоксид теллура (TeO2) |
|
|
Акустический режим |
продольный |
|
|
Звуковая скорость |
4,20 |
мм/мкс |
|
Длина волны |
830 |
нм |
|
Центральная частота (Fc) |
210 |
МГц |
|
Частота модуляции |
140-280 |
МГц |
|
Вносимые потери |
<3% |
|
|
Вх/вых. поляризация |
вертикальная |
|
|
Минимальная дифракционная эффективность |
35% |
|
|
Средняя дифракционная эффективность |
N/A |
|
|
Ширина пропускания по радиочастоте |
140 |
МГц |
|
Активная акустическая апертура |
2 мм (Н) * 6 мм (L) |
мм |
|
Угол сканирования |
27,6 мрад |
|
|
Произведение длительности сигнала на ширину полосы пропускания |
N/A |
|
|
ВЧ номинальная мощность |
3 |
Вт |
|
Сопротивление |
50 |
Ом |
|
Коэффициент стоячей волны по напряжению |
< 2.2:1 |
|
Все покупки на сайте осуществляются с помощью безналичной оплаты.
Все платежи для физических лиц осуществляются через сервис Paykeeper.
Также возможно оформление счета для оплаты от юридического лица (мы работаем с НДС).
Подробная информация на странице «Условия оплаты».

Мы доставляем грузы несколькими транспортными компаниями, подробнее узнать о которых вы можете в разделе «доставка».
Выбрать вариант доставки вы можете при оформлении заказа на сайте, либо связавшись с менеджером
Срок поставки менеджер уточнит после оформления заявки.